Odpowiedz 
 
Ocena wątku:
  • 9 Głosów - 3.22 Średnio
  • 1
  • 2
  • 3
  • 4
  • 5
US5MSQ - transceiver
SQ7HJB
Unregistered

 
Post: #52
RE: US5MSQ - transceiver
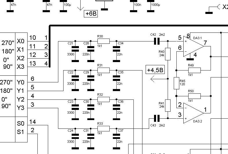
Ten kawałek schematu, który wstawiłem to sumator kanałów I oraz Q. Z pinu 7 DA9.1 wychodzi sygnał na multiplekser i dalej na filtr m.cz.
Zastanawiałem się nad zamianą filtru RC w układzie T na R160, C127, R161 na filtr LPF na dławikach.
Diplekser to chyba należałoby wstawić zaraz po wyjściu z FST3253. Cztery identyczne układy dla sygnałów wychodzących z klucza FST (piny6, 5, 4, 3).


Załączone pliki Miniatury
İmage
29-04-2012 8:09
Odpowiedz cytując ten post
Odpowiedz 


Wiadomości w tym wątku
US5MSQ - transceiver - admin - 16-06-2009, 19:38
RE: US5MSQ - transceiver - TG50 - 11-12-2009, 10:45
RE: US5MSQ - transceiver - SP9FKP - 11-12-2009, 12:06
RE: US5MSQ - transceiver - AMATOR - 13-12-2009, 0:13
RE: US5MSQ - transceiver - TG50 - 12-12-2009, 23:49
RE: US5MSQ - transceiver - SP9FKP - 13-12-2009, 11:55
RE: US5MSQ - transceiver - QRP73 - 20-12-2009, 9:45
RE: US5MSQ - transceiver - SP9FKP - 23-01-2010, 19:33
RE: US5MSQ - transceiver - TG50 - 24-01-2010, 22:46
RE: US5MSQ - transceiver - SP5FCS - 29-01-2010, 23:14
RE: US5MSQ - transceiver - TG50 - 15-02-2010, 23:10
RE: US5MSQ - transceiver - SP9FKP - 11-08-2011, 6:44
RE: US5MSQ - transceiver - SP6IFN - 07-09-2011, 22:19
RE: US5MSQ - transceiver - SQ8Z - 08-09-2011, 12:39
RE: US5MSQ - transceiver - SP5TAA - 10-09-2011, 11:07
RE: US5MSQ - transceiver - SQ7HJB - 12-10-2011, 21:09
RE: US5MSQ - transceiver - SQ7OVV - 27-10-2011, 13:51
RE: US5MSQ - transceiver - SP5LQV - 27-10-2011, 20:33
RE: US5MSQ - transceiver - SQ7HJB - 05-11-2011, 9:58
RE: US5MSQ - transceiver - SP9FKP - 07-11-2011, 14:17
RE: US5MSQ - transceiver - SQ7HJB - 07-11-2011, 19:23
RE: US5MSQ - transceiver - SP9FKP - 07-11-2011, 21:01
RE: US5MSQ - transceiver - SQ7HJB - 07-11-2011, 21:45
RE: US5MSQ - transceiver - SQ7HJB - 25-11-2011, 19:58
RE: US5MSQ - transceiver - SP9FKP - 27-11-2011, 19:21
RE: US5MSQ - transceiver - SQ7HJB - 01-01-2012, 11:57
RE: US5MSQ - transceiver - SQ7HJB - 29-01-2012, 13:53
RE: US5MSQ - transceiver - SQ1GYQ - 29-01-2012, 14:44
RE: US5MSQ - transceiver - SP9FKP - 30-01-2012, 7:52
RE: US5MSQ - transceiver - SP9MRN - 30-01-2012, 12:00
RE: US5MSQ - transceiver - SQ7HJB - 30-01-2012, 12:50
RE: US5MSQ - transceiver - SP9MRN - 30-01-2012, 13:08
RE: US5MSQ - transceiver - SP2JQR - 31-01-2012, 0:14
RE: US5MSQ - transceiver - SQ9RFC - 31-01-2012, 0:20
RE: US5MSQ - transceiver - SP9MRN - 31-01-2012, 13:08
RE: US5MSQ - transceiver - SQ9RFC - 31-01-2012, 14:10
RE: US5MSQ - transceiver - SP9FKP - 31-01-2012, 14:49
RE: US5MSQ - transceiver - SQ7HJB - 24-02-2012, 12:47
RE: US5MSQ - transceiver - SP9FKP - 20-04-2012, 11:19
RE: US5MSQ - transceiver - SQ7HJB - 27-04-2012, 20:39
RE: US5MSQ - transceiver - SQ4AVS - 27-04-2012, 20:50
RE: US5MSQ - transceiver - SQ7HJB - 27-04-2012, 22:28
RE: US5MSQ - transceiver - SQ4AVS - 28-04-2012, 6:34
RE: US5MSQ - transceiver - SP2JH - 28-04-2012, 7:29
RE: US5MSQ - transceiver - SQ7HJB - 28-04-2012, 11:01
RE: US5MSQ - transceiver - SQ4AVS - 28-04-2012, 16:22
RE: US5MSQ - transceiver - SQ7HJB - 28-04-2012, 16:50
RE: US5MSQ - transceiver - SP5BMP - 28-04-2012, 20:07
RE: US5MSQ - transceiver - SQ4AVS - 28-04-2012, 21:11
RE: US5MSQ - transceiver - SQ7HJB - 28-04-2012, 21:24
RE: US5MSQ - transceiver - SQ4AVS - 28-04-2012, 22:35
RE: US5MSQ - transceiver - SQ7HJB - 29-04-2012 8:09
RE: US5MSQ - transceiver - SQ4AVS - 29-04-2012, 9:07
RE: US5MSQ - transceiver - SQ7HJB - 29-04-2012, 9:26
RE: US5MSQ - transceiver - SQ4AVS - 29-04-2012, 9:46
RE: US5MSQ - transceiver - SP5BMP - 29-04-2012, 10:12
RE: US5MSQ - transceiver - SQ7HJB - 29-04-2012, 11:02
RE: US5MSQ - transceiver - SP9FKP - 09-09-2014, 19:49
RE: US5MSQ - transceiver - SPO3O2OL - 03-07-2017, 15:24
RE: US5MSQ - transceiver - SP9FKP - 04-07-2017, 20:09
RE: US5MSQ - transceiver - SP3TYJ - 04-05-2017, 9:27
RE: US5MSQ - transceiver - SQ7HJB - 04-05-2017, 10:28
RE: US5MSQ - transceiver - SP3TYJ - 04-05-2017, 22:35
RE: US5MSQ - transceiver - SP3TYJ - 13-05-2017, 22:35
RE: US5MSQ - transceiver - SP3TYJ - 23-05-2017, 22:24
RE: US5MSQ - transceiver - SP3TYJ - 17-06-2017, 0:13
RE: US5MSQ - transceiver - SP3TYJ - 02-07-2017, 2:04
RE: US5MSQ - transceiver - SP4LVC - 02-07-2017, 10:06
RE: US5MSQ - transceiver - SPO3O2OL - 02-07-2017, 12:18
RE: US5MSQ - transceiver - SQ9RFC - 02-07-2017, 17:26
RE: US5MSQ - transceiver - SP3TYJ - 04-07-2017, 13:52
RE: US5MSQ - transceiver - SPO3O2OL - 05-07-2017, 2:07
RE: US5MSQ - transceiver - SP3TYJ - 06-07-2017, 20:40
RE: US5MSQ - transceiver - SPO3O2OL - 07-07-2017, 19:50
RE: US5MSQ - transceiver - SQ7HJB - 01-05-2019, 20:12
RE: US5MSQ - transceiver - SP9FKP - 01-05-2019, 21:15
RE: US5MSQ - transceiver - SQ7HJB - 01-05-2019, 22:30
RE: US5MSQ - transceiver - SP2JQR - 02-05-2019, 9:45
RE: US5MSQ - transceiver - SP6AUO - 02-05-2019, 14:51
RE: US5MSQ - transceiver - SP9FKP - 02-05-2019, 18:13
RE: US5MSQ - transceiver - SQ7HJB - 02-05-2019, 21:13
RE: US5MSQ - transceiver - SP6AUO - 02-05-2019, 21:34
RE: US5MSQ - transceiver - SP9FKP - 03-05-2019, 7:27
RE: US5MSQ - transceiver - SP2JQR - 03-05-2019, 8:52
RE: US5MSQ - transceiver - SP6AUO - 03-05-2019, 10:03
RE: US5MSQ - transceiver - SP2JQR - 03-05-2019, 10:44
RE: US5MSQ - transceiver - SPO3O2OL - 04-05-2019, 11:32
RE: US5MSQ - transceiver - SP4JEU - 18-08-2022, 21:25
RE: US5MSQ - transceiver - SP7EZG - 22-04-2024, 8:05
RE: US5MSQ - transceiver - SP9FKP - 22-04-2024, 10:35
RE: US5MSQ - transceiver - SP7EZG - 22-04-2024, 14:24
RE: US5MSQ - transceiver - SP9FKP - 22-04-2024, 18:44
RE: US5MSQ - transceiver - SP7EZG - 22-04-2024, 21:11
RE: US5MSQ - transceiver - SP9FKP - 22-04-2024, 22:13
RE: US5MSQ - transceiver - SP7EZG - 23-04-2024, 6:48
RE: US5MSQ - transceiver - SP9FKP - 23-04-2024, 7:21

Skocz do:


Użytkownicy przeglądający ten wątek: 2 gości