Odpowiedz 
 
Ocena wątku:
  • 2 Głosów - 5 Średnio
  • 1
  • 2
  • 3
  • 4
  • 5
Synteza Oleg 9
kasjan Offline


Liczba postów: 6
Dołączył: 05-01-2010
Post: #53
RE: Synteza Oleg 9
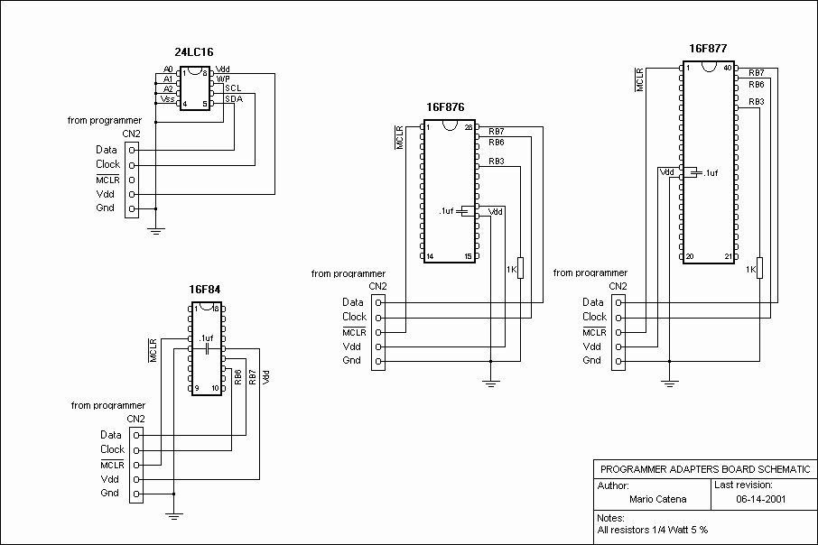
Witam uzywam IC-Prog1.06B a sam programator jest na 74LS07plus tranzystor do pnp do MCLR i podstawka ZIF dzialac dziala to wszystko bo sprawdzalem na tescie w ic-progu tak ze nie wiem co moze byc jest to moj pierwszy dds i od razu takie cos heinnego nie moglem zrobic bo w belgi tylko AD9951 moglem dostac innych tu nie maja.
bylbym bardzo wdzieczny na naprowadzenie jak to uruchomic z gory dziekoje


Załączone pliki Miniatury
İmage İmage
(Ten post był ostatnio modyfikowany: 05-01-2010 19:00 przez kasjan.)
05-01-2010 18:52
Znajdź wszystkie posty użytkownika Odpowiedz cytując ten post
Odpowiedz 


Wiadomości w tym wątku
Synteza Oleg 9 - SQ5NPW - 05-03-2009, 8:33
RE: Synteza Oleg 9 - GILONG - 20-02-2010, 23:43
RE: Synteza Oleg 9 - TG50 - 21-02-2010, 0:32
RE: Synteza Oleg 9 - SP5MAS - 22-02-2010, 16:40
RE: Synteza Oleg 9 - SQ5NPW - 25-02-2010, 2:44
RE: Synteza Oleg 9 - GILONG - 22-02-2010, 23:14
RE: Synteza Oleg 9 - 3Z6AEF - 23-02-2010, 16:06
RE: Synteza Oleg 9 - SQ5OBR - 23-02-2010, 12:10
RE: Synteza Oleg 9 - SQ5OBR - 23-02-2010, 19:28
RE: Synteza Oleg 9 - SP5APU - 28-02-2010, 17:56
RE: Synteza Oleg 9 - GILONG - 04-03-2010, 22:32
RE: Synteza Oleg 9 - bez_znaku - 05-03-2010, 1:37
RE: Synteza Oleg 9 - sq5izx - 09-03-2010, 22:48
RE: Synteza Oleg 9 - 3Z6AEF - 09-03-2010, 23:11
RE: Synteza Oleg 9 - SP5APU - 09-03-2010, 23:03
RE: Synteza Oleg 9 - sq5izx - 09-03-2010, 23:26
RE: Synteza Oleg 9 - 3Z6AEF - 09-03-2010, 23:42
RE: Synteza Oleg 9 - SP5APU - 14-03-2010, 0:51
RE: Synteza Oleg 9 - sq5izx - 15-03-2010, 13:54
RE: Synteza Oleg 9 - SP9MRN - 15-03-2010, 14:17
RE: Synteza Oleg 9 - SP9FKP - 15-03-2010, 14:25
RE: Synteza Oleg 9 - SP5FCS - 15-03-2010, 14:42
RE: Synteza Oleg 9 - SP5APU - 16-03-2010, 23:50
RE: Synteza Oleg 9 - SP5APU - 20-03-2010, 18:03
RE: Synteza Oleg 9 - SQ5NPW - 22-03-2010, 21:17
RE: Synteza Oleg 9 - sq5izx - 22-03-2010, 20:54
RE: Synteza Oleg 9 - SP5APU - 24-03-2010, 18:32
RE: Synteza Oleg 9 - kasjan - 24-03-2010, 19:59
RE: Synteza Oleg 9 - sq4ctk - 24-03-2010, 21:04
RE: Synteza Oleg 9 - kasjan - 24-03-2010, 21:47
RE: Synteza Oleg 9 - TG50 - 24-03-2010, 23:36
RE: Synteza Oleg 9 - SQ6IYY - 25-03-2010, 11:54
RE: Synteza Oleg 9 - kasjan - 25-03-2010, 17:50
RE: Synteza Oleg 9 - SP5FCI - 05-04-2010, 20:44
RE: Synteza Oleg 9 - SP9FKP - 06-04-2010, 8:23
RE: Synteza Oleg 9 - SP1QY - 07-04-2010, 13:10
RE: Synteza Oleg 9 - 3Z6AEF - 07-04-2010, 17:03
RE: Synteza Oleg 9 - SP9FKP - 07-04-2010, 14:13
RE: Synteza Oleg 9 - SP1QY - 08-04-2010, 8:29
RE: Synteza Oleg 9 - SP5APU - 08-04-2010, 17:38
RE: Synteza Oleg 9 - SP3VPA - 09-04-2010, 8:41
RE: Synteza Oleg 9 - SP1QY - 09-04-2010, 11:57
RE: Synteza Oleg 9 - SP9FKP - 09-04-2010, 17:40
RE: Synteza Oleg 9 - SP3VPA - 10-04-2010, 19:34
RE: Synteza Oleg 9 - 2E0KKJ - 14-05-2010, 19:37
RE: Synteza Oleg 9 - SP9FKP - 18-05-2010, 11:23
RE: Synteza Oleg 9 - SP6LTP - 21-06-2010, 22:09
RE: Synteza Oleg 9 - SP9EZQ - 24-06-2010, 22:33
RE: Synteza Oleg 9 - SP9MRN - 30-06-2010, 11:48
RE: Synteza Oleg 9 - SP9EZQ - 30-06-2010, 13:52
RE: Synteza Oleg 9 - SP6LTP - 03-07-2010, 23:52
RE: Synteza Oleg 9 - SP9EZQ - 14-07-2010, 11:55
RE: Synteza Oleg 9 - SP9EZQ - 31-07-2010, 16:38
RE: Synteza Oleg 9 - SP5FCS - 01-08-2010, 11:00
RE: Synteza Oleg 9 - SQ6OXK - 31-07-2010, 18:55
RE: Synteza Oleg 9 - SP2JH - 01-08-2010, 8:35
RE: Synteza Oleg 9 - SQ6OXK - 01-08-2010, 16:07
PIC w syntezie - SP5FCI - 17-10-2010, 11:08
RE: Synteza Oleg 9 - SQ6OXK - 18-10-2010, 5:19
RE: Synteza Oleg 9 - SQ7HJB - 20-12-2010, 23:20
RE: Synteza Oleg 9 - SP2JQR - 21-12-2010, 8:48
RE: Synteza Oleg 9 - SP6OUJ - 13-02-2011, 21:35
RE: Synteza Oleg 9 - SQ8AQX - 27-07-2011, 15:48
RE: Synteza Oleg 9 - SP5AQT - 13-02-2011, 22:13
RE: Synteza Oleg 9 - SP5MNO - 07-05-2011, 12:34
RE: Synteza Oleg 9 - SP6LTP - 05-08-2011, 9:56
RE: Synteza Oleg 9 - SP6LTP - 05-08-2011, 17:36
RE: Synteza Oleg 9 - SP6LTP - 14-08-2011, 19:13
RE: Synteza Oleg 9 - SP9EZQ - 18-10-2011, 21:18
RE: Synteza Oleg 9 - SP9EZQ - 11-12-2011, 21:03
RE: Synteza Oleg 9 - SQ1GYQ - 11-12-2011, 21:46
RE: Synteza Oleg 9 - SP9EZQ - 11-12-2011, 22:06
RE: Synteza Oleg 9 - SP9IZM - 12-12-2011, 7:16
RE: Synteza Oleg 9 - SP9EZQ - 12-12-2011, 10:06
RE: Synteza Oleg 9 - SP9IZM - 12-12-2011, 13:42
RE: Synteza Oleg 9 - SQ7BFS - 08-02-2012, 9:19
RE: Synteza Oleg 9 - SP5AQT - 08-02-2012, 14:43
RE: Synteza Oleg 9 - SQ7BFS - 08-02-2012, 17:23
RE: Synteza Oleg 9 - SQ7BFS - 13-02-2012, 11:52
RE: Synteza Oleg 9 - SP5AQT - 14-02-2012, 16:35
RE: Synteza Oleg 9 - SP2JH - 15-02-2012, 17:09
RE: Synteza Oleg 9 - SQ7BFS - 16-02-2012, 13:15
RE: Synteza Oleg 9 - SP2JH - 04-03-2012, 18:29
RE: Synteza Oleg 9 - SQ7BFS - 06-03-2012, 9:16
RE: Synteza Oleg 9 - SQ1GYQ - 04-03-2012, 11:43
RE: Synteza Oleg 9 - SP5AQT - 04-03-2012, 13:06
RE: Synteza Oleg 9 - SQ1GYQ - 04-03-2012, 13:25
RE: Synteza Oleg 9 - SP9FKP - 04-03-2012, 13:54
RE: Synteza Oleg 9 - SQ8Z - 04-03-2012, 16:29
RE: Synteza Oleg 9 - SQ1GYQ - 04-03-2012, 16:59
RE: Synteza Oleg 9 - SP9FKP - 04-03-2012, 17:10
RE: Synteza Oleg 9 - SQ8Z - 04-03-2012, 17:17
RE: Synteza Oleg 9 - SP5AQT - 04-03-2012, 18:09
RE: Synteza Oleg 9 - SQ1GYQ - 04-03-2012, 18:29
RE: Synteza Oleg 9 - SQ8Z - 04-03-2012, 20:04
RE: Synteza Oleg 9 - SP9FKP - 04-03-2012, 23:03
RE: Synteza Oleg 9 - SQ8Z - 05-03-2012, 1:29
RE: Synteza Oleg 9 - SQ1GYQ - 20-03-2012, 19:17
RE: Synteza Oleg 9 - SP9FKP - 20-03-2012, 20:42
RE: Synteza Oleg 9 - SQ1GYQ - 20-03-2012, 21:16
RE: Synteza Oleg 9 - SQ8Z - 21-03-2012, 23:26
RE: Synteza Oleg 9 - SP3RAF - 22-03-2012, 2:14
RE: Synteza Oleg 9 - SQ1GYQ - 22-03-2012, 8:39
RE: Synteza Oleg 9 - SQ1GYQ - 22-03-2012, 19:25
RE: Synteza Oleg 9 - SP9FKP - 22-03-2012, 19:44
RE: Synteza Oleg 9 - SQ7BFS - 26-03-2012, 22:08
RE: Synteza Oleg 9 - SP9IZM - 19-04-2012, 18:10
RE: Synteza Oleg 9 - SP8QEJ - 23-04-2012, 13:20
RE: Synteza Oleg 9 - SQ1GYQ - 11-05-2012, 22:54
RE: Synteza Oleg 9 - SP9EZQ - 16-06-2012, 23:15
RE: Synteza Oleg 9 - SQ1GYQ - 17-06-2012, 0:36
RE: Synteza Oleg 9 - SP9EZQ - 17-06-2012, 12:44
RE: Synteza Oleg 9 - SQ1GYQ - 17-06-2012, 16:08
RE: Synteza Oleg 9 - SP9EZQ - 20-06-2012, 0:42
RE: Synteza Oleg 9 - SQ1GYQ - 20-06-2012, 7:11
RE: Synteza Oleg 9 - SP9EZQ - 21-06-2012, 23:47
RE: Synteza Oleg 9 - SQ1GYQ - 22-06-2012, 7:07
RE: Synteza Oleg 9 - SP9EZQ - 22-06-2012, 9:36
RE: Synteza Oleg 9 - SQ1GYQ - 22-06-2012, 10:29
RE: Synteza Oleg 9 - SP4HKQ - 22-06-2012, 14:55
RE: Synteza Oleg 9 - SP9EZQ - 22-06-2012, 22:20
RE: Synteza Oleg 9 - SQ1GYQ - 24-06-2012, 11:03
RE: Synteza Oleg 9 - SP9EZQ - 24-06-2012, 14:30
RE: Synteza Oleg 9 - SP9EZQ - 20-07-2012, 14:32
RE: Synteza Oleg 9 - SQ1GYQ - 20-07-2012, 19:50
RE: Synteza Oleg 9 - SP9EZQ - 20-07-2012, 20:49
RE: Synteza Oleg 9 - SQ9RFC - 29-07-2012, 0:35
RE: Synteza Oleg 9 - SP5TAA - 29-07-2012, 0:53
RE: Synteza Oleg 9 - SQ9RFC - 29-07-2012, 9:03
RE: Synteza Oleg 9 - SP5TAA - 29-07-2012, 10:07
RE: Synteza Oleg 9 - SQ9RFC - 29-07-2012, 23:13
RE: Synteza Oleg 9 - SP4LVC - 12-11-2012, 22:54
RE: Synteza Oleg 9 - SP3RAF - 12-11-2012, 23:14
RE: Synteza Oleg 9 - SP9FKP - 13-11-2012, 8:45
RE: Synteza Oleg 9 - SQ9RFC - 13-11-2012, 23:57
RE: Synteza Oleg 9 - SP3RAF - 13-11-2012, 14:24
RE: Synteza Oleg 9 - SP9FKP - 13-11-2012, 15:41
RE: Synteza Oleg 9 - SP2JQR - 17-11-2012, 19:29
RE: Synteza Oleg 9 - SQ9RFC - 17-11-2012, 23:45
RE: Synteza Oleg 9 - SP9FKP - 19-11-2012, 8:37
RE: Synteza Oleg 9 - SP2JQR - 18-11-2012, 20:18
RE: Synteza Oleg 9 - SP4LVC - 30-12-2012, 20:17
RE: Synteza Oleg 9 - SQ9RFC - 31-12-2012, 2:44
RE: Synteza Oleg 9 - SP5AQT - 31-12-2012, 12:47
RE: Synteza Oleg 9 - SP4LVC - 31-12-2012, 13:42
RE: Synteza Oleg 9 - SQ1GYQ - 31-12-2012, 16:22
RE: Synteza Oleg 9 - GREG - 17-01-2013, 22:10
RE: Synteza Oleg 9 - SQ8GUM - 17-02-2013, 19:33
RE: Synteza Oleg 9 - SQ4AVS - 17-02-2013, 20:05
RE: Synteza Oleg 9 - SQ8GUM - 17-02-2013, 20:38
RE: Synteza Oleg 9 - SQ1GYQ - 17-02-2013, 21:21
RE: Synteza Oleg 9 - SQ8GUM - 17-02-2013, 23:07
RE: Synteza Oleg 9 - SQ9RFC - 18-02-2013, 1:28
RE: Synteza Oleg 9 - SQ8GUM - 18-02-2013, 15:05
RE: Synteza Oleg 9 - SQ9RFC - 18-02-2013, 16:45
RE: Synteza Oleg 9 - SQ8GUM - 18-02-2013, 17:16
RE: Synteza Oleg 9 - SQ8GUM - 23-02-2013, 9:39
RE: Synteza Oleg 9 - SQ9RFC - 23-02-2013, 17:47
RE: Synteza Oleg 9 - SLAWERA - 31-07-2013, 18:02
RE: Synteza Oleg 9 - SP5TAA - 22-08-2014, 2:05
RE: Synteza Oleg 9 - SQ9RFC - 22-08-2014, 8:49
RE: Synteza Oleg 9 - GREG - 22-08-2014, 13:18
RE: Synteza Oleg 9 - SP5TAA - 23-08-2014, 1:49
RE: Synteza Oleg 9 - SP9FKP - 23-08-2014, 7:28
RE: Synteza Oleg 9 - SP6IFN - 23-08-2014, 12:11
RE: Synteza Oleg 9 - SQ9RFC - 24-08-2014, 4:25
RE: Synteza Oleg 9 - SP6IFN - 24-08-2014, 13:45
RE: Synteza Oleg 9 - SP5TAA - 24-08-2014, 15:31
RE: Synteza Oleg 9 - SQ9RFC - 24-08-2014, 15:32
RE: Synteza Oleg 9 - SQ9RFC - 31-08-2014, 14:24
RE: Synteza Oleg 9 - SP5TAA - 31-08-2014, 16:56
RE: Synteza Oleg 9 - SQ9RFC - 09-09-2014, 3:09
RE: Synteza Oleg 9 - SP4LVC - 09-09-2014, 8:45
RE: Synteza Oleg 9 - SP5TAA - 09-09-2014, 9:29
RE: Synteza Oleg 9 - SP4LVC - 09-09-2014, 9:36
RE: Synteza Oleg 9 - SP9MRN - 09-09-2014, 10:23
RE: Synteza Oleg 9 - SP6IFN - 09-09-2014, 18:53
RE: Synteza Oleg 9 - SQ9RFC - 09-09-2014, 20:01
RE: Synteza Oleg 9 - SQ1GYQ - 10-09-2014, 18:28
RE: Synteza Oleg 9 - SQ9RFC - 11-09-2014, 8:09
RE: Synteza Oleg 9 - SQ5IZX - 04-12-2014, 2:02
RE: Synteza Oleg 9 - SQ8MXL - 20-03-2017, 21:16
RE: Synteza Oleg 9 - SQ8AQX - 20-03-2017, 21:33
RE: Synteza Oleg 9 - SQ8MXL - 20-03-2017, 21:37
RE: Synteza Oleg 9 - SQ8AQX - 20-03-2017, 21:45
RE: Synteza Oleg 9 - SQ8MXL - 21-03-2017, 19:44
RE: Synteza Oleg 9 - SQ1GYQ - 22-03-2017, 3:03
RE: Synteza Oleg 9 - SQ8MXL - 22-03-2017, 19:28
RE: Synteza Oleg 9 - SP6AUO - 22-03-2017, 6:34
RE: Synteza Oleg 9 - SQ1GYQ - 22-03-2017, 22:47
RE: Synteza Oleg 9 - SQ8MXL - 24-03-2017, 23:20
RE: Synteza Oleg 9 - SP7WMX - 25-03-2017, 8:55
RE: Synteza Oleg 9 - SP6AUO - 25-03-2017, 9:12
RE: Synteza Oleg 9 - SQ8MXL - 10-04-2017, 10:40
RE: Synteza Oleg 9 - SP5TAA - 10-04-2017, 12:46
RE: Synteza Oleg 9 - SP6AUO - 11-04-2017, 23:07
RE: Synteza Oleg 9 - SQ8MXL - 12-04-2017, 9:19
RE: Synteza Oleg 9 - SP6AUO - 12-04-2017, 10:11
RE: Synteza Oleg 9 - SP4LVC - 12-04-2017, 21:37
RE: Synteza Oleg 9 - SQ8MXL - 12-04-2017, 22:16
RE: Synteza Oleg 9 - SP4LVC - 12-04-2017, 23:32
RE: Synteza Oleg 9 - SP6AUO - 13-04-2017, 9:14
RE: Synteza Oleg 9 - SP5TAA - 13-04-2017, 12:58
RE: Synteza Oleg 9 - SP6AUO - 13-04-2017, 20:39
RE: Synteza Oleg 9 - SP4LVC - 14-04-2017, 1:05
RE: Synteza Oleg 9 - SQ8AQX - 14-04-2017, 15:42
RE: Synteza Oleg 9 - SP5FCS - 17-03-2009, 16:42
RE: Synteza Oleg 9 - SP5IWI - 20-03-2009, 22:54
RE: Synteza Oleg 9 - SP5FCS - 19-04-2009, 22:37
RE: Synteza Oleg 9 - SQ5STZ - 25-05-2009, 11:20
RE: Synteza Oleg 9 - SP5OXJ - 27-05-2009, 22:45
RE: Synteza Oleg 9 - SQ5STZ - 28-05-2009, 11:31
RE: Synteza Oleg 9 - SP5FCS - 28-05-2009, 11:54
RE: Synteza Oleg 9 - SQ5STZ - 04-06-2009, 15:37
RE: Synteza Oleg 9 - SP5FCS - 04-06-2009, 18:38
RE: Synteza Oleg 9 - SP5FCS - 16-06-2009, 10:02
RE: Synteza Oleg 9 - SQ5NPW - 22-06-2009, 17:09
RE: Synteza Oleg 9 - SQ1GYQ - 22-06-2009, 19:13
RE: Synteza Oleg 9 - SP2JH - 22-06-2009, 20:00
RE: Synteza Oleg 9 - SP5MAS - 22-06-2009, 21:22
RE: Synteza Oleg 9 - SP5FCS - 22-06-2009, 21:56
RE: Synteza Oleg 9 - SQ5OBR - 09-07-2009, 15:54
RE: Synteza Oleg 9 - QRP73 - 11-07-2009, 19:58
RE: Synteza Oleg 9 - SQ1GYQ - 11-07-2009, 20:14
RE: Synteza Oleg 9 - SQ5OBR - 12-07-2009, 21:17
RE: Synteza Oleg 9 - SP5FCS - 12-07-2009, 21:27
RE: Synteza Oleg 9 - SQ5OBR - 13-07-2009, 14:44
RE: Synteza Oleg 9 - SQ5OBR - 15-07-2009, 8:19
RE: Synteza Oleg 9 - SQ1GYQ - 19-07-2009, 19:16
RE: Synteza Oleg 9 - SQ5OBR - 31-07-2009, 17:46
RE: Synteza Oleg 9 - SP3RAF - 31-07-2009, 21:36
RE: Synteza Oleg 9 - SP8GVM - 01-08-2009, 6:00
RE: Synteza Oleg 9 - SP5FCS - 01-08-2009, 9:06
RE: Synteza Oleg 9 - SP3RAF - 01-08-2009, 12:30
RE: Synteza Oleg 9 - SP5AQT - 06-08-2009, 18:55
RE: Synteza Oleg 9 - SP3RAF - 06-08-2009, 23:25
RE: Synteza Oleg 9 - 3Z6AEF - 03-09-2009, 16:36
RE: Synteza Oleg 9 - SP3RAF - 03-09-2009, 18:27
RE: Synteza Oleg 9 - SP5AQT - 22-09-2009, 18:26
RE: Synteza Oleg 9 - SP2GOW - 24-09-2009, 8:57
RE: Synteza Oleg 9 - SP5AQT - 24-09-2009, 9:52
RE: Synteza Oleg 9 - SP2GOW - 24-09-2009, 11:14
RE: Synteza Oleg 9 - SP8GVM - 25-09-2009, 9:40
RE: Synteza Oleg 9 - SP5FCS - 26-09-2009, 23:40
RE: Synteza Oleg 9 - SP5FCS - 08-11-2009, 21:16
RE: Synteza Oleg 9 - SP2JH - 22-11-2009, 21:27
RE: Synteza Oleg 9 - SQ5NPW - 24-11-2009, 1:12
RE: Synteza Oleg 9 - SP7DQR - 24-11-2009, 13:39
RE: Synteza Oleg 9 - SP5AQT - 24-11-2009, 14:57
RE: Synteza Oleg 9 - SQ1GYQ - 24-11-2009, 15:55
RE: Synteza Oleg 9 - SP7DQR - 28-11-2009, 14:28
RE: Synteza Oleg 9 - SP5FCS - 30-11-2009, 22:28
RE: Synteza Oleg 9 - vasylll - 19-12-2009, 12:49
RE: Synteza Oleg 9 - SP5AQT - 20-12-2009, 14:21
RE: Synteza Oleg 9 - SP7DQR - 24-12-2009, 11:24
RE: Synteza Oleg 9 - kasjan - 05-01-2010, 18:11
RE: Synteza Oleg 9 - SQ5OBR - 05-01-2010, 18:35
RE: Synteza Oleg 9 - kasjan - 05-01-2010 18:52
RE: Synteza Oleg 9 - SP5TAA - 06-01-2010, 15:03
RE: Synteza Oleg 9 - SQ2EER - 06-01-2010, 15:46
RE: Synteza Oleg 9 - SQ5NPW - 06-01-2010, 20:52
RE: Synteza Oleg 9 - kasjan - 06-01-2010, 21:52

Skocz do:


Użytkownicy przeglądający ten wątek: 2 gości