Odpowiedz 
 
Ocena wątku:
  • 3 Głosów - 4.67 Średnio
  • 1
  • 2
  • 3
  • 4
  • 5
Trx Wolf
SP9XCC Offline
Krzysztof
***

Liczba postów: 116
Dołączył: 13-03-2019
Post: #361
RE: Trx Wolf
(02-11-2022 11:19)SP6AUO napisał(a):  Sygnał przechodzi przez 22om.Proponujesz przejście przez 2kom.Chyba to nie wygląda dobrze. Sygnał jest mocno stłumiony.
W nocie katalogowej sygnał jest oparty o 2kom.W naszej kombinacji musi przejść przez 2kom.

Nie wiem jak to wygląda, u mnie działa.
OPA przestał się grzać jak szalony...
Reszta to kwestia ustawień - jest taka możliwość.
Można regulować stopień wzmocnienia OPA - od rewizji 6.x...
Poza tym jest regulacja przesunięcia bitów na DAC.
Należy wybrać takie ustawienia, aby nie było harmonicznych lub było ich jak najmniej.
Ja uruchamiam układ przy pomocy multimetru, stareńkiego oscyloskopu (produkcji radzieckiej) z 1990 roku i analizatora wg EU1KY...
Jak narazie idzie dobrze.
Znów przestój w pracach ze względu na inne wyższe priorytety...
Na chwilę obecną, przy pomocy Wolfa, 22 QSO z 16 krajami...
Operując RF QRP++ z mocą ok. 7W w DIGI i anteną EFLW a właściwie EFRW o długości ok. 21 m wisząca na wysokości ok. 3 m nad ziemią.
Na FT8, najdalej jak dotąd Kazań (Tatarstan).
Odbiornik przedni, nadajnik też chyba niezły skoro słychać na ponad 2000 km.

Nie sztuką jest coś zrobić, sztuką jest zrobić tak, aby nie zepsuć..

Pozdrawiam,
73! Krzysztof SP9XCC
(Ten post był ostatnio modyfikowany: 05-11-2022 23:21 przez SP9XCC.)
05-11-2022 23:19
Znajdź wszystkie posty użytkownika Odpowiedz cytując ten post
SP2NBC Offline
Zdzisław
***

Liczba postów: 107
Dołączył: 28-01-2010
Post: #362
RE: Trx Wolf
Mam pytanie do kolegów,
Czy tłumik ATT, układ scalony PE4302 w pozycji wyłączonej, 0dB, na wyprowadzeniach ATT ma stan 0, pin 1, 15, 16, 17, 19, 20. Chodzi o faktyczny stan w trx Wolf

Pozdrawiam
06-11-2022 12:43
Znajdź wszystkie posty użytkownika Odpowiedz cytując ten post
SP5TAA Offline
Witek
****

Liczba postów: 296
Dołączył: 24-03-2009
Post: #363
RE: Trx Wolf
Cześć,
wczoraj późną nocą na krótko "skonfigurowałem" Wolfa aby sprawdzić Twoje podpowiedzi i faktycznie jest tak jak opisałeś...
Trzeba ten temat rozgryźć bo to zamazuje faktyczny stan toru RX`a...
06-11-2022 16:37
Znajdź wszystkie posty użytkownika Odpowiedz cytując ten post
SP2NBC Offline
Zdzisław
***

Liczba postów: 107
Dołączył: 28-01-2010
Post: #364
RE: Trx Wolf
Może moje pytanie nie było do końca precyzyjne.
Buduję Wolfa w wersji WF-100D
Robiąc pomiary okazało się że zawsze jest włączone ATT 8dB, niezależnie od ustawień.
PE4302 pin 8 stan 1 zawsze, czyli 3,3V. Być może w innych wersjach jest podobnie.

Popełniłem błąd podając pin 8. Chodzi o C8, ATT ON, 8 pin 15
Przepraszam
(Ten post był ostatnio modyfikowany: 06-11-2022 22:01 przez SP2NBC.)
06-11-2022 21:50
Znajdź wszystkie posty użytkownika Odpowiedz cytując ten post
SP5TAA Offline
Witek
****

Liczba postów: 296
Dołączył: 24-03-2009
Post: #365
RE: Trx Wolf
Witam kolegów,
niezależnie czy kolega Zdzisław coś pokręcił czy nie z oznaczeniem pinów...jest prośba z naszej strony, którzy budujemy wersję WF-100D tego radia, abyście sprawdzili napięcie na pinie 4 układu U1(w Waszej wersji Wolfa), z którego jest sterowany tłumik elektroniczny PE4302, w zależności od ustawionej wartości tłumika ustawianej z front panela, chodzi o to czy to napięcie się zmienia czy jest stale stan wysoki(3,3V) - u nas tak właśnie jest.
Chcemy mieć pewność aby móc argumentować że nie jest to tylko błąd występujący u nas - no chyba że tak właśnie jest...
(Ten post był ostatnio modyfikowany: 06-11-2022 23:47 przez SP5TAA.)
06-11-2022 23:45
Znajdź wszystkie posty użytkownika Odpowiedz cytując ten post
SP9XCC Offline
Krzysztof
***

Liczba postów: 116
Dołączył: 13-03-2019
Post: #366
RE: Trx Wolf
W moim przypadku, na obydwu płytach RF - QRP++ i RU4PN rev.5.1 przy wyłączonym tłumiku nie występuje żaden aktywny bit na sterowaniu.
Ustawienia w kontrolerze dla QRP++ - QRP, dla wersji 100W - RU4PN.
Włączanie kolejnych stopni tłumienia powoduje aktywowanie prawidłowych sekwencji bitowych.
W STM-ie rewizja 6.2.1...

Edit:
--------------------------------
Przy okazji sprawdzania bitów, zrobiłem pomiary filtrów wejściowych toru odbiorczego.
Pliki z nazwami QRP_xxx to pomiary płyty RF QRP++ 20W PEP.
İmage İmage İmage İmage İmage İmage İmage İmage


Pliki z nazwami BIG_xxx to pomiary płyty wg RU4PNrev.5.1.

İmage İmage İmage İmage İmage İmage İmage İmage

Na pierwszy rzut oka do poprawki 21MHz w wersji 100W...


Załączone pliki
.bmp  QRP_1.8MHz.BMP (Rozmiar: 382.55 KB / Pobrań: 1278)
.bmp  QRP_3.5MHz.BMP (Rozmiar: 382.55 KB / Pobrań: 1302)
.bmp  QRP_7MHz.BMP (Rozmiar: 382.55 KB / Pobrań: 1260)
.bmp  QRP_10MHz.BMP (Rozmiar: 382.55 KB / Pobrań: 1250)
.bmp  QRP_14MHz.BMP (Rozmiar: 382.55 KB / Pobrań: 1259)
.bmp  QRP_21MHz.BMP (Rozmiar: 382.55 KB / Pobrań: 1261)
.bmp  QRP_24MHz.BMP (Rozmiar: 382.55 KB / Pobrań: 1263)
.bmp  QRP_28MHz.BMP (Rozmiar: 382.55 KB / Pobrań: 1236)
.bmp  BIG_1.8MHz.BMP (Rozmiar: 382.55 KB / Pobrań: 1224)
.bmp  BIG_3.5MHz.BMP (Rozmiar: 382.55 KB / Pobrań: 1276)
.bmp  BIG_7MHz.BMP (Rozmiar: 382.55 KB / Pobrań: 1277)
.bmp  BIG_10MHz.BMP (Rozmiar: 382.55 KB / Pobrań: 1302)
.bmp  BIG_14MHz.BMP (Rozmiar: 382.55 KB / Pobrań: 1228)
.bmp  BIG_18MHz.BMP (Rozmiar: 382.55 KB / Pobrań: 1245)
.bmp  BIG_21MHz.BMP (Rozmiar: 382.55 KB / Pobrań: 1227)
.bmp  BIG_28MHz.BMP (Rozmiar: 382.55 KB / Pobrań: 1198)

Nie sztuką jest coś zrobić, sztuką jest zrobić tak, aby nie zepsuć..

Pozdrawiam,
73! Krzysztof SP9XCC
(Ten post był ostatnio modyfikowany: 07-11-2022 23:52 przez SP9XCC.)
07-11-2022 23:52
Znajdź wszystkie posty użytkownika Odpowiedz cytując ten post
SP2NBC Offline
Zdzisław
***

Liczba postów: 107
Dołączył: 28-01-2010
Post: #367
RE: Trx Wolf
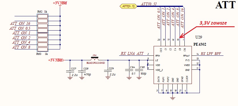
W wersji WF-100D zawsze jest stan wysoki, 3,3V jak na załączonym schemacie


Załączone pliki Miniatury
İmage
08-11-2022 0:37
Znajdź wszystkie posty użytkownika Odpowiedz cytując ten post
SP9XCC Offline
Krzysztof
***

Liczba postów: 116
Dołączył: 13-03-2019
Post: #368
RE: Trx Wolf
Te sygnały macie podciągnięte do stanu "1" poprzez rezystory.
Sprawdźcie stosowne wyjście źródła sygnału.
Może jakiś zimny lut?
Może przerwa na ścieżce?
Porównajcie schematy z innymi wersjami...
Gdzieś ten sygnał się gubi.
Czy stan na wyjściu układu U1 zmienia się przy innych nastawach tłumienia?

Na płycie RF w wersji BIG-RU4PN-rev.5.1 jest tak jak w wersji W100D:
İmage İmage

W wersji QRP++ sterowanie jest bez pull-up'ów:
İmage

Tak jak wcześniej napisałem, na obydwu płytach sterowanie jest poprawne.
Nie jest to więc błąd schematowy...
Jeżeli do W100D jest osobny wsad do STM-a - może tu szukać?

W uzupełnieniu moich wcześniejszych obrazków...
Pomiary zrobione "od gniazdka do gniazdka", czyli od wejścia antenowego do wyjścia ADC na odpowiednich płytach RF.
Jest to tak naprawdę pomiar tłumienia w całym analogowym torze odbiorczym.
Filtry w stanie "as is", bez żadnego wcześniejszego sprawdzania.
Zmontowane z elementów wyjętych z opakowań fabrycznych.
Kondensatory z deklarowaną tolerancją producenta 1% i 2%, nie selekcjonowane specjalnie pod względem pojemności.

Wszystko spowodowane tym, że sprawdzając bity na sterowaniu tłumika, sprawdzałem czy tłumik rzeczywiście tłumi o wskazane wartości.
Tak, każde przestawienie wartości o 3dB powoduje wzrost tłumienia toru o 3dB.


Załączone pliki Miniatury
İmage İmage İmage

Nie sztuką jest coś zrobić, sztuką jest zrobić tak, aby nie zepsuć..

Pozdrawiam,
73! Krzysztof SP9XCC
(Ten post był ostatnio modyfikowany: 08-11-2022 7:49 przez SP9XCC.)
08-11-2022 7:49
Znajdź wszystkie posty użytkownika Odpowiedz cytując ten post
SP6LTP Offline
Zbyszek
****

Liczba postów: 318
Dołączył: 02-02-2010
Post: #369
RE: Trx Wolf
Krzysztof, dlaczego masz tak duże tłumienie w paśmie przepustowym -20dB? Miałeś włączony tłumik czy nie skalibrowany przyrząd.
U mnie to wynosi około -3dB. Filtr na 2m jest najgorszy -17dB. Pokaż jeszcze pomiar filtra na 2m.

73! Zbyszek
08-11-2022 8:21
Znajdź wszystkie posty użytkownika Odpowiedz cytując ten post
SP9XCC Offline
Krzysztof
***

Liczba postów: 116
Dołączył: 13-03-2019
Post: #370
RE: Trx Wolf
Przyrząd kalibrowałem.
Fakt, z tłumikiem -20dB, bo taki miałem...
Stąd przesunięcie o te 20 dB w dół...
Nawet się nie zastanawiałem i wrzuciłem "babole"...
Dzięki za uwagę, poprawię się Cool

Części powyżej 30 MHz narazie nie ruszam...
Kolejne pomiary, jeśli się uda, może zrobię w weekend...

Nie sztuką jest coś zrobić, sztuką jest zrobić tak, aby nie zepsuć..

Pozdrawiam,
73! Krzysztof SP9XCC
(Ten post był ostatnio modyfikowany: 08-11-2022 8:49 przez SP9XCC.)
08-11-2022 8:49
Znajdź wszystkie posty użytkownika Odpowiedz cytując ten post
Odpowiedz 


Skocz do:


Użytkownicy przeglądający ten wątek: 6 gości