hehehe, skoro widze odpowiedzi to znaczy ze niepouciekaliscie

dzieki wielkie za odpowiedzi. Swoj profil poprawilem, wiec
IMIE juz widac.
ciesze sie ze rozbawilem
Jurka. Dzieki odpowiedzi
Leszka nawet zaczynam rozumiec dlaczego. Chociaz dalej nie wiem dlaczego nie mialbym przepuscic sygnalu przez LPF i UPF dwoma torami rownoczesnie? Lub prosciej uzyc BPF, ktory jak tlumaczy Leszek, jest skombinacja ich obu. Czy rozbicie na LPF, wzmacniacz, UPF mialoby byc lepsze od uzycia BPF+wzmacniacz? Czyzby zwiekszala sie szansa na eliminacje stacji broadcastingowych wchodzacych wglab ukladu?
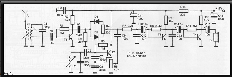
Choc uklad prosty i mozna go zmontowac w jeden wieczor, to koncepcje sie mnoza - nie ma lekko i nie ma sie co ograniczac. Tak, jeden z pomyslow na to radio, to szybki montaz, strojenie kondensatorem powietrznym, coby posluchac jak to "gada". Natomiast juz stricte do nauki, to budowa modulowa, coby uprawiac "kombinatoryke stosowana" na calego.
Plytka RX-a powili sie tworzy w CircuitMaker. "Na pajaka" to udaloby mi sie w jeden wieczor go pomontowac bo jesli nie patrzac na NP0, to w zasadzie wszystkie czesci mam na taki odbiornik "testowy", zanim zaczne bawic sie w moduly. Styrofleksy znajde do heterodyny. Jedynie potrzebuje jeszcze garsc info coby myslec o konstrukcji...
Pytania:
- 1
Jakiej pojemnosci dac kondensator powietrzny? Ile piko? 50, 160, 360, 500? Na schemacie nie ma takiej informacji.
- 2
Takze jak ta cewke nawinac na np. 3565kHz? - Albo zeby nie bylo zbyt latwo, podajcie info jakim programem moge zasymulowac/zbudowac taka cewke? Mysle coby ja zrobic na duzym karakasie np. PCV 25mm lub wieksza (potem rozne rozmiary dadza mi wiedze co ze soba wielkosc takiej cewki niesie - wieksza dobroc, a wiec wieksza czulosc i wiecej... szumow??).
- 3
Jakie diody do tego mieszacza?? (1n4148, czy tez cos lepszego, BAP795 (germanowe zdaje sie)).
Leszek mi sporo pojasnil, apropos obwodow wejsciowych i nie tylko. M.CZ. narazie sobie zostawiam, dopoki nie sprawdze kilku rodzajow obwodow w roznych konfiguracjach, tak zeby docelowo cos wybrac. Nad filtrami m.cz. chce sie pochylic bardzo mocno no i sprobowac zaprojektowac jakis swoj pierwszy wzmacniacz m.cz. (albo "zerznac" np. z TRX Scorpion na LM380 zdaje sie). To nie jest projekt na 2 zimowe weekendy. Braki wiedzy i praktyki nie da sie uzupelnic w miesiac czy dwa. Tu mowimy o dlugich miesiacach, zakladajac ze bedzie na to czas.
- 4
Ostatnie pytanie - mam karkas, mam drut DNE fi0.35, fi0.6 itp, wiem ile zwojow, bo program wyliczyl, wiem jaki kondensator mi tu bedzie potrzebny coby sie odstrajac od 3565kHz, ale nie wiem jak mialbym pomierzyc sobie taki obwod na NWT500 czy na Maxie - mam oba - i co z tego? Jakies podpowiedzi, linki gdzie moge doczytac jak to sie robi? NWT czy MAX maja 50Om na obu wyjsciach, ale czy moje obwody beda mialy tez 50Om cobym je mogl bezposrednio podlaczyc do urz.pomiarowego i widziec gdzie ten rezonans jest? Metodyka pomiarow (kolejna przepasc).
Jurek,
Gotowym nadajnikiem CW pewnie bys mnie rozleniwil

Mysle o nadajniku CW, chocby najprostszym i przelaczanym zwyklym przelacznikiem, dopoki nie wymysle przelaczania przekaznikami czy moze tranzystorami (zdaje sie ze tez mozna). Wiec moze rozpracuje najpierw czesc odbiorcza - jak sprzet bedzie mi hulal lepiej jak u ciebie na biurku, to dopiero zaczniemy z TX-em?
ok, to na tyle tragi-komedii ode mnie. pozdrawiam serdecznie Kolegow!