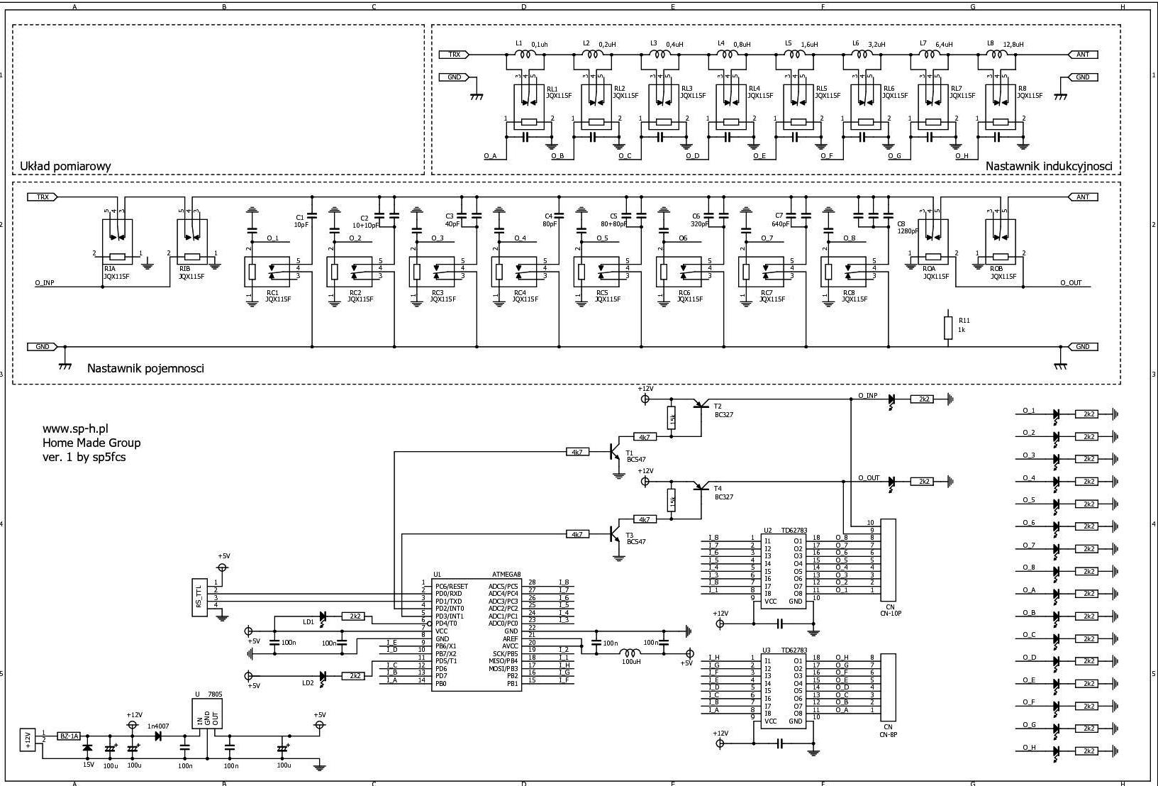
Szereg wartości elementów L, C w dopasowaniu
Jako, że jest to skrzynka ręczna możemy dać dowolny własny szereg wartości elementów z krokiem x2. Ja wybrałem takie wartości sugerując się przedziałami z innych skrzynek oraz tym co jest powszechnie dostępne (nie robiłem symulacji zakresu dopasowania). Przydałby się może mniejszy krok zmian pojemności ale na początek nie jest to takie istotne. Nie chciałem stawiać trzeciego drivera dlatego mamy 2x8 bitów regulacji.
Na każdym bicie są otwory pod cztery kondensatory (C||C+C||C) co daje dużą swobodę zestawiania wartości. U mnie wyszło tak:
(10, 10+10, 18+22, 80, 80+80, 100+220, 640 (z 680p), 640+640,) plus zwory.
Przy kondensatorach wysokonapięciowych rozrzuty wartości są tak duże, że mając kilka wartości w szeregu zawsze coś poskładamy. Miejsca jest dużo i zmieści się praktycznie każdy kondensator (zdjęcie).
Zakres indukcyjności od góry wynika trochę z możliwości rdzenia (na 2*T80-2 przy drucie 0,9mm to praktycznie max. Jeśli będzie taka potrzeba możemy dać większy rdzeń (2*T106-2) lub cieńszy drut. Niestety miejsca na cewki nie ma za dużo (zdjęcie).
Jeśli chcemy porównywać wyniki testów to warto mieć taki sam zakres regulacji układu dopasowania. Na początek proponuję wszystkie cewki na rdzeniach, powietrzne mogą mocniej "siać" po sterowaniu.
Interfejs komunikacyjny
Na złączu mamy RS_TTL, do testów podpinam moduł RS232 do współpracy z PC. Tak samo możemy zapiąć moduł USB (warto aby był izolowany).
Na płytce procesora jest podstawka pod RS485 i wyjście 2-przewodowe.
Parametry transmisji:
2400Bd, 8, 1, N
Komunikacja i sterowanie jest sprawdzone i działa (na stole)

.
Schemat skrzynki easyATU
Pierwsza wersja schematu skrzynki, mogą jeszcze być błędy bo to mój pierwszy schemat pod
BSch3V (tak chciałem sprawdzić co ten programik potrafi). Do czasu wykonania druków postaram się o weryfikację i poprawki. Chwilowa brakuje jeszcze układu RS485 i jego otoczenia.
Pawle, jedyny sposób komunikacji ze skrzynką to kanał szeregowy. Do modułu przy antenie niczego sobie nie "przypniesz". Do sterowania potrzebny jest komputer lub drugi procesor z wyświetlaczem i klawiszami. Na wszystko przyjdzie czas, teraz pracujemy nad modułem antenowym.