Odpowiedz 
 
Ocena wątku:
  • 1 Głosów - 5 Średnio
  • 1
  • 2
  • 3
  • 4
  • 5
Transceiver Antek
SQ8NZD Offline
Adrian
*****

Liczba postów: 860
Dołączył: 11-02-2011
Post: #1
Transceiver Antek
Witam

Antka kończę a BITX skończony (na razie bez PA).

Antoś....... Shy

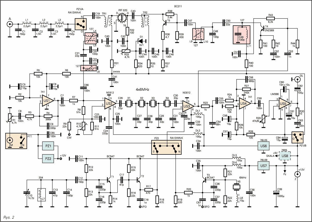
# Rozumiem, że L11/C48 ma mieć 18.5uH by wychodziło 3.7 MHz ?
# Uważam, że L5/L6 mają mieć 8.4 uH by z C20...C22 być w środku pasma 80m ?
# 4 zwoje na T50-2 w L4/L9 wystarczy ?
# Materiał U32 na Tr1 i Tr2 ? Nie ma takiego Confused
# Chyba można nawinąć Tr-y na FT50-43 z taką samą ilością zwojów ?

/z dokumentacji Antka..... [ DNE 0.3mm 10 zwojów bifilarnie] /

Wszystkie cewki nawijam ręcznie na Amidonach.

Proszę o pomoc.

W Antku jest błąd..... Zamiast Dł3 dać R 1kom


Załączone pliki Miniatury
İmage

https://sites.google.com/view/sq8nzd - Moja strona web.
(Ten post był ostatnio modyfikowany: 22-04-2017 2:42 przez SQ8NZD.)
22-04-2017 2:39
Znajdź wszystkie posty użytkownika Odpowiedz cytując ten post
SPO3O2OL Offline
_._. _ _._
****

Liczba postów: 330
Dołączył: 07-01-2017
Post: #2
RE: Transceiver Antek
Witam Adrian.Wszedłem w ten post ale chyba wiem dlaczego założyłeś nowy temat.

Zacznijmy od pytania:
Antka składasz na pcb czy robisz pająka?
Czy odbiornik BitX20 działa?

Mam nadzieję,że nie obrazisz się za dodane cyferki przed #.Tak łatwiej odpowiadać
na dane pytanie.
(22-04-2017 2:39)SQ8NZD napisał(a):  1# Rozumiem, że L11/C48 ma mieć 18.5uH by wychodziło 3.7 MHz ?
2# Uważam, że L5/L6 mają mieć 8.4 uH by z C20...C22 być w środku pasma 80m ?
3# 4 zwoje na T50-2 w L4/L9 wystarczy ?
4# Materiał U32 na Tr1 i Tr2 ? Nie ma takiego Confused
5# Chyba można nawinąć Tr-y na FT50-43 z taką samą ilością zwojów ?

/z dokumentacji Antka..... [ DNE 0.3mm 10 zwojów bifilarnie] /

Wszystkie cewki nawijam ręcznie na Amidonach.

W Antku jest błąd..... Zamiast Dł3 dać R 1kom

1# Niby tak,ale czy nie lepiej zmniejszyć indukcyjność i dołożyć trymer
do strojenia obwodu.W oryginale są obwody chyba 127 strojone wkręcanym rdzeniem,indukcyjność się zmienia.Ty Adrian nawijasz na rdzeniu Amidon więc jakoś musisz stroić obwód.Trymer będzie dobrym pomocnikiem,zrób jak w #2

2# Nawijasz jak sam piszesz na Amidonach T50-2,stosuj trymery.Przy 8.4uH spróbowałbym C20,C22 zwiększyć do 180p i równolegle do nich trymery 60p

#3 Tak

#4i5 FT powinny być dobre do tego celu

Dlaczego 1k zamiast dł3 nie wiem,pewnie Koledzy pomogą.
Powodzenia w budowie.

Wojc!o
(Ten post był ostatnio modyfikowany: 22-04-2017 13:46 przez SPO3O2OL.)
22-04-2017 12:48
Znajdź wszystkie posty użytkownika Odpowiedz cytując ten post
SQ8NZD Offline
Adrian
*****

Liczba postów: 860
Dołączył: 11-02-2011
Post: #3
RE: Transceiver Antek
No to wiem już wszystko Smile

1 # BITX-20 # uruchomiłem z pomocą mojego TS-a . Postawiłem nośną i poszukałem sygnału. Planuję dorobić do niego strojenie diodą pojemnościową BB112 (załącznik). Bo mam tylko 2 kondensatory zmienne a one pójdą do TDO.

2 # Antek # Pozostały mi tylko cewki i transformatory, o które pytałem w pierwszym poście.

Dzięki wielkie. Pytań już nie mam.

Aha. Możecie jeszcze mi podpowiedzieć czy z tam ma być Dł3 100uH czy 1kom.
Antka buduję w pająku bo już nie ma PCB. Nie ma takiej opcji by wykonać tego TRX-a na płytce bo one są zaprojektowane pod 7x7 127/204 a nie Amidony. Byłby kłopot.

Napiszę do SP5AHT z pytaniem czy zmodernizowałby obwody drukowane uwzględniając nowy schemat z poprawkami, które na przestrzeni wielu lat były aplikowane do schematu ideowego.


Załączone pliki Miniatury
İmage

https://sites.google.com/view/sq8nzd - Moja strona web.
(Ten post był ostatnio modyfikowany: 22-04-2017 14:28 przez SQ8NZD.)
22-04-2017 14:16
Znajdź wszystkie posty użytkownika Odpowiedz cytując ten post
SPO3O2OL Offline
_._. _ _._
****

Liczba postów: 330
Dołączył: 07-01-2017
Post: #4
RE: Transceiver Antek
(22-04-2017 14:16)SQ8NZD napisał(a):  2 # Antek # Pozostały mi tylko cewki i transformatory, o które pytałem w pierwszym poście.

W Antku płytka czy pająk?

Wojc!o
22-04-2017 14:25
Znajdź wszystkie posty użytkownika Odpowiedz cytując ten post
SQ8NZD Offline
Adrian
*****

Liczba postów: 860
Dołączył: 11-02-2011
Post: #5
RE: Transceiver Antek
(22-04-2017 14:25)SPO3O2OL napisał(a):  
(22-04-2017 14:16)SQ8NZD napisał(a):  2 # Antek # Pozostały mi tylko cewki i transformatory, o które pytałem w pierwszym poście.

W Antku płytka czy pająk?

Pająk tarantula hihi

BITX-20 też w pająku i to w ogóle nie przeszkadza. To nie GHz-ce ! Na niskich częstotliwościach to nie przeszkadza. Wiem z praktyki. Smile

https://sites.google.com/view/sq8nzd - Moja strona web.
(Ten post był ostatnio modyfikowany: 22-04-2017 14:39 przez SQ8NZD.)
22-04-2017 14:39
Znajdź wszystkie posty użytkownika Odpowiedz cytując ten post
SPO3O2OL Offline
_._. _ _._
****

Liczba postów: 330
Dołączył: 07-01-2017
Post: #6
RE: Transceiver Antek
Praktyka dobra sprawa.
BitX w wielu pająkach na osobnych pcb z blokami pewnie bym ogarnął
ale Antka nawet bym nie próbował,wybrałbym 100% pcb.
Masz chłopie cierpliwość,podziwiam Cię za te Tarantule Smile

Wojc!o
22-04-2017 14:56
Znajdź wszystkie posty użytkownika Odpowiedz cytując ten post
SQ8NZD Offline
Adrian
*****

Liczba postów: 860
Dołączył: 11-02-2011
Post: #7
RE: Transceiver Antek
W BITX-20 oznaczyłem sobie tranzystorki pisząc na laminacie Q1, Q2..... etc.

Tak go sobie oganiam bym wiedział gdzie co jest.

Mam swój patent na nawijanie transformatorków bifilarnych i trifilarnych, a mianowicie robię pętelki na drucie DNE. Jedna pętelka na dwóch końcach każdego drutu. I jadę dalej.... później dwie pętelki i trzy. Tak się człowiek nie pomyli !


========================================

Treść listu od AHT ;

W tym roku raczej NIE.
Każdy robi sobie, jak mu się podoba Smile

========================================

https://sites.google.com/view/sq8nzd - Moja strona web.
(Ten post był ostatnio modyfikowany: 22-04-2017 17:16 przez SQ8NZD.)
22-04-2017 17:16
Znajdź wszystkie posty użytkownika Odpowiedz cytując ten post
SQ8NZD Offline
Adrian
*****

Liczba postów: 860
Dołączył: 11-02-2011
Post: #8
RE: Transceiver Antek
Wrrrrr pająk !!! Wink

Antek podłączony pod 12V..... Odbiornik szumi i reaguje na dotyk wejścia antenowego, czyli działa. A nadajnik jutro sprawdzę bo nie mam odpowiedniej żarówki by sprawdzić, czy coś z niego wychodzi. Jeszcze muszę załatwić radiator do tranzystora stopnia końcowego.

Iiiiiiii ponawlekać cewki filtrów pasmowych bo na szybkiego dałem dławiki.


Załączone pliki Miniatury
İmage

https://sites.google.com/view/sq8nzd - Moja strona web.
27-04-2017 13:33
Znajdź wszystkie posty użytkownika Odpowiedz cytując ten post
SP2JQR Offline
Henryk
*****

Liczba postów: 1,528
Dołączył: 23-08-2009
Post: #9
RE: Transceiver Antek
To zdjęcie bardzo mi się podoba! Tarrrrrantula jak się patrzy!
Jeśli urządzenie zadziała wyślij to zdjęcie wraz z filmikiem potwierdzającym działanie do Świata Radio.
Na miejscu Andrzeja przysłałbym w nagrodę oryginalną płytkę PCB do zmontowania.
30-04-2017 11:53
Znajdź wszystkie posty użytkownika Odpowiedz cytując ten post
SQ8NZD Offline
Adrian
*****

Liczba postów: 860
Dołączył: 11-02-2011
Post: #10
RE: Transceiver Antek
Ja nawet Kenwooda potrafiłbym zrobić w pająku Wink

Nieeeee.... żartuję.... hihi

Taka nagroda w formie PCB bardzo by mi się przydała. Zrobiłbym wtedy jak Pan Bóg przykazał.

Cały układ jest poza domem w ŚDS-sie . A on będzie czynny po długim weekendzie a wtedy przyjdzie pora na nadajnik.

A we wtorek będę miał MFJ-948, którego nabyłem w okazyjnej cenie, więc będę miał czym sprawdzić moc wychodzącą z PA.

https://sites.google.com/view/sq8nzd - Moja strona web.
(Ten post był ostatnio modyfikowany: 30-04-2017 15:38 przez SQ8NZD.)
30-04-2017 15:37
Znajdź wszystkie posty użytkownika Odpowiedz cytując ten post
Odpowiedz 


Skocz do:


Użytkownicy przeglądający ten wątek: 1 gości