Jak wcześniej obiecałem, chciałbym przedstawić wyniki pierwszych pomiarów U-VNA, eksperymentów i wnioski z nich płynące.
Ponieważ na wstępie nie ma wielkiego "TAADAAAAAAAMM!", no to już wiecie, że rewelacji nie ma i pora zrewidować niektóre wcześniej postawione tu tezy

choć cały projekt może jeszcze nie jest skazany na porażkę - w każdym razie mam jeszcze pomysły do eksperymentów - ale po kolei...
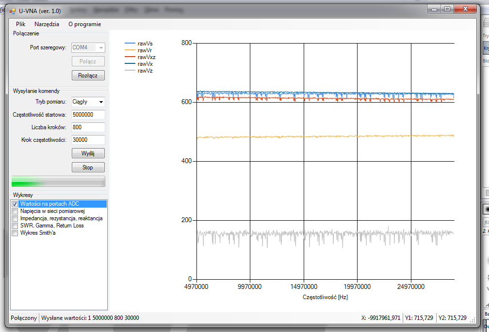
Pierwszy problem, na który napotkałem po złożeniu układu, to straszne śmieci na portach pomiarowych ADC. Tak wyglądają wartości w przykładowym pomiarze:
Jak się okazało, przyczyną tych śmieci jest kabelek sygnałowy (4 luźne żyły długości ok. 15cm) łączący U-VNA z modułem BT. Zatem problem nie leży w tym, że BT "sieje" (bo to przecież znacznie wyższe częstotliwości), lecz sygnały danych na linii USART.
A tak wygląda ten sam pomiar, kiedy pomiędzy BT i U-VNA wstawiłem rdzeń o wysokim AL i zrobiłem na nim z kabelka połączeniowego ze 3 zwoje:
Drugi problem (zauważony zbyt późno, bo można go było przewidzieć już na etapie wstępnych teoretycznych rozważań) jest taki, że nawet najmniejsze "szumy" w skali logarytmicznej AD8307 zostają strasznie wyolbrzymione przy przejściu w obliczeniach na skalę liniową, bo mamy tam przecież potęgowanie.
Zatem niewielkie mogło by się wydawać szumy na drugim wykresie, po przejściu na napięcia sieci, wyglądają tak:
Co ciekawe, ekranowanie samej głowicy pomiarowej z AD8307 nie wpływa na poziom tych szumów.
A co za tym idzie, same obliczenia składników impedancji, gdzie mamy kwadraty każdego z napięć, wykazują jeszcze większe wahania. Tak przykładowo wygląda pomiar terminatora 50R:
Wartość "R" jest całkowicie nieakceptowalna i nie wiem skąd oscylacje w okolicach 220 omów - być może jest tu jeszcze błąd w sprzęcie (źle przylutowany jeden z punktów pomiarowych) - będę sprawdzał.
Wartość "X" jest w miarę OK i spadek z 40 omów dla niskich częstotliwości do ok. 5 omów dla wysokich można tłumaczyć pojemnością tego mierzonego terminatora (taki zwykły BNC za parę złotych). No tylko znak się nie zgadza - może jeszcze błąd w obliczeniach.
Wartość "|Z|" (mierzona napięciami, a nie obliczona z R i X) całkiem dobra - nieco poniżej 50R w całym zakresie.
A tak wygląda SWR, Gamma i ReturnLoss tego terminatora:
Czyli SWR w okolicach 1.1, Gamma od 0,05 do 0,1 i ReturnLoss w okolicach 25-30dB.
A tak wyglądają składniki impedancji tego terminatora po kalibracji numerycznej Open-Short-Load (choć nie przywiązywałbym się jeszcze do tego wykresu, bo podejrzewam jeszcze jakiś błąd po stronie oprogramowania):
Wnioski:
1. USART straszne sieje. W następnych eksperymentach dla obu linii RX/TX zastosuję przewody koncentryczne, a więc ekranowane. Wtedy już bez tego rdzenia.
2. Zbyt wysokie rezystancje na wejściach pomiarowych AD8307 (szczególnie te 2 x 100k) powodują zbyt niski stosunek sygnału do szumu. Wejścia pomiarowe układów przy takim odizolowaniu od sieci pomiarowej zachowują się prawie tak, jakby "wisiały" w powietrzu. Trzeba zastosować mniejsze rezystancje. W następnych eksperymentach planuję zacząć od 47k na każdym punkcie pomiarowym i schodzić aż do 10k obserwując wyniki pomiarów.
To tyle póki co z "placu boju" - jeszcze się nie poddaję...
Pozdrawiam,
Rafał SP3GO