Dzieki Adamie
O to mi chodzilo

Czyli wiem na czym stoje

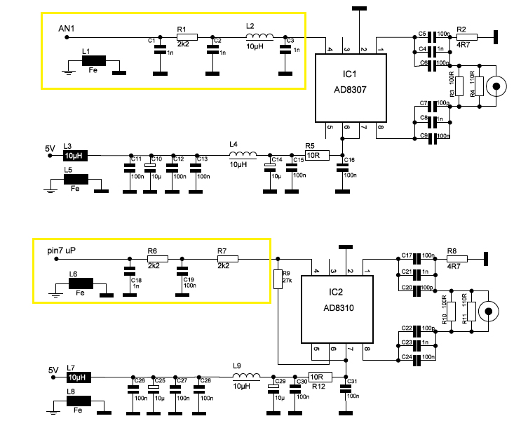
W sumie dalem wiekszosc kondensatorow C0G (od 100nF do dolu - ot to co dostepne na rynku) czyli w sumie to samo co NP0 lacznie z 100nF przy sondach jak i AD9951 (akurat mialem 20szt - moze nie sa tanie ale kij jak maja lezec to znalazly swoje miejsce). Reszta na zasilaniach zwykle 100nF i obok nich 1nF C0G + zwykle 220nF razem z 200pF C0G na wjesciu i wyjsciu filtru oraz za wzmacniaczem. Jak bedzie potrzeba to jeszcze gdzie niegdzie na zasilaniu doloze moze na kanapke 1nF C0G...
Ot mocno mnie to zastanawialo bo widzialem w sumie kilka koncepcji w internecie i nie wiem jak wplywa to na AD9307, AD9310 (akurat mam oryginaly z Analoga, ale w dokumentacji czy notach aplikacyjnych nie jest to jakos mocno poruszone) natomiast wiem z doswiadczenia ze stosowanie zarowno dzielnikow jak i pojemnosci dosc mocno wyplywa na przetworniki (przynajmniej np. w STM-ach jak chcemy szybszego probkowania - co zreszta jest loginczne). Natomiast odnosnie PIC-ow mam stosunkowo male doswiadczenie, robilem tylko kilka projektow na dsPIC i nie zaglebialem sie zbyt mocno jak tam to sie sprawdza...
Heh w takim razie ide sobie dolutowac brakujace elementy ;] Jak dojda brakujace czesci to zapewne zalacze juz wyniki pomiarow
No i kolejne NA200 uruchomione

Na chwile obecna SGA7489 zasilany przez rezystory 4 x 200om i cewke 150nH z Maritex-u (Rozmiar 1008: Imax=580mA, RDC=0.7Ω). Niestety nigdzie nie moge dorwac 220om 0.7W (w TME beda dopiero w polowie lutego heh) lub inne aby uzyskac podoby prad i sie zmiescily, a patrzac jak grzeja sie obecne strach dawac mniejsze... ...wiec testy zapewne dopiero za jakis czas jakie zmiany przyniosa...
Tutaj podpiete NA200 z wylaczonym generatorem - czyli smieci od generatora 30MHz i jego harmoniczne w pasmie do 1GHz:
Poziom sygnalu i harmoniczne VFO: 3.7MHz
Poziom sygnalu i harmoniczne VFO: 50MHz
Poziom sygnalu i harmoniczne VFO: 145MHz
Plytka i ekrany:
Pozostalo jeszcze wykonac PCB pod sonde liniowa i jakas obudowe.
Niestety obecnie nie udalo mi sie znalezc nigdzie takich kieszeni. Obecnie produkowane z cienszego profilu (panele mocowane na srubki z boku) niezbyt pasuja. Mam na stanie obudowy Bopla Alubos niestety szersze wiec najprawdopodobniej NA200 wyladuje w takiej (trzeba bedzie pomyslec jak zamocowac/poszerzyc plytke) lub jeszcze zastanawiam sie nad tedykowana obudowa z aluminium (elementy wycinane na laserze).
Nizej wykresy z WinNWT (wykresy: czerwony AD8307, zielony AD8310). Najlepszy efekt to moze nie jest, ale moze uda sie jeszcze cos poprawic.
Na koniec chce jeszcze podziekowac Adamowi SP5FCS za PCB oraz udzielone porady oraz Zdzislawowi SP4HKQ tak samo za rozne porady odnosnie NWT na forum.