|
Najnowszy minitransceiver SP5AHT (80m/SSB). Dziennik budowy.
|
SQ9RFC
Jerzy ![]() ![]() ![]() ![]() ![]() Liczba postów: 1,193 Dołączył: 02-07-2010 |
|
||
| 21-12-2011 19:44 |
|
SQ8NVF
Bartłomiej ![]() ![]() ![]() Liczba postów: 144 Dołączył: 05-12-2009 |
|
||
| 23-12-2011 16:15 |
|
SQ6IYV
Michał ![]() Liczba postów: 33 Dołączył: 09-02-2010 |
|
||
| 07-10-2012 13:15 |
|
SP6FRE
Leszek ![]() ![]() ![]() ![]() Liczba postów: 737 Dołączył: 20-09-2009 |
|
||
| 07-10-2012 14:51 |
|
SQ6IYV
Michał ![]() Liczba postów: 33 Dołączył: 09-02-2010 |
|
||
| 15-10-2012 23:39 |
|
SP6IFN
Ryszard ![]() ![]() ![]() ![]() Liczba postów: 463 Dołączył: 23-03-2010 |
|
||
| 16-10-2012 11:00 |
|
SP9MRN
MAc ![]() ![]() ![]() ![]() ![]() Liczba postów: 822 Dołączył: 29-08-2009 |
|
||
| 16-10-2012 11:59 |
|
SP4EJT
Marcin ![]() ![]() ![]() ![]() Liczba postów: 340 Dołączył: 06-05-2011 |
|
||
| 16-10-2012 14:14 |
|
SP6IFN
Ryszard ![]() ![]() ![]() ![]() Liczba postów: 463 Dołączył: 23-03-2010 |
|
||
| 16-10-2012 14:44 |
|
SP4EJT
Marcin ![]() ![]() ![]() ![]() Liczba postów: 340 Dołączył: 06-05-2011 |
|
||
| 16-10-2012 16:14 |
|
|
« Starszy wątek | Nowszy wątek »
|
Użytkownicy przeglądający ten wątek: 2 gości



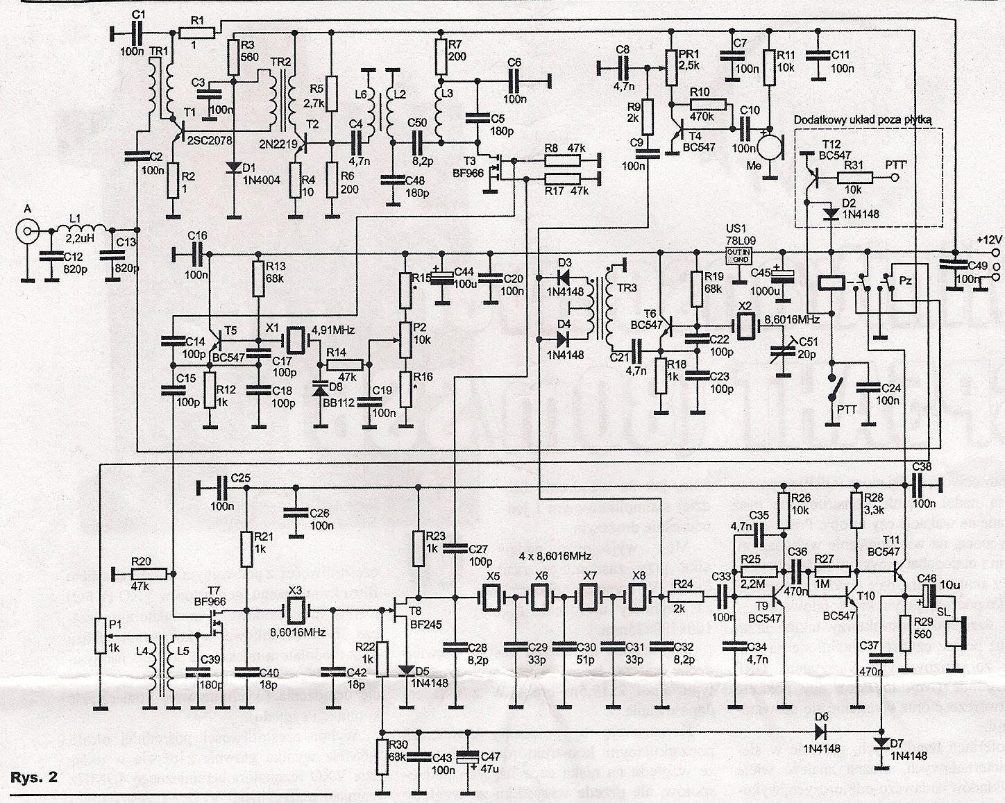
pod koniec zamówienia - napisali że na emaila podeślą link do potwierdzenia transakcji - czekam, czekam i nic - może się doczekam. Podobno za dwa dni KIT ma być u mnie - lutownica, cyna, kalafonia gotowa. Do tego czasu rozwieszę 84m drutu i jakąś mini skrzynkę i SWR-miarkę sklecę 



Kiedyś na próbę uruchomiłem ten wzmacniacz niskiej, na płytce doświadczalnej i układ ruszył bez najmniejszego "ale":) Jednak po złożeniu układu na płytce z AVT żaden z układów (ani mój ani Michała SQ6OCW) nie ruszył. Mierniki poszły w ruch i pomierzyliśmy napięcia poszczególnych elementach (dla zasilania U = 12V, I = ok 20 mA): na emiterze T11 - 9,65V; na bazie T11 10,36V; na kolektorze T9 - 0V; na bazach T9 i T10 - po ok 0,6V. Michał SQ6OCW miał bardzo podobne wartości (Uzas = 13,8V). Długo każdy z nas przeglądał swoją płytkę i na 95% wykluczyliśmy kwestię zwarcia gdzieś w układzie. Postanowiłem więc znowu zbudować układ na płytce uniwersalnej, celem znalezienia winowajcy. I tutaj znowu się zaskoczyłem: układ na płytce uniwersalnej ruszył bez kłopotu. Napięcia były już nieco lepsze (U = 12V, I = 4 mA): na emiterze T11 - 5,87V; na bazie T11 6,54V; na kolektorze T9 - 8,30V; na bazach T9 i T10 - po ok 0,6V. I tutaj nasuwa się nam pytanie czy ktoś z budujących natknął się na podobny problem?? 73!!
