Witam serdecznie.Czy jest możliwość na bazie zegara  zamieszczonego w załączniku zrobić skalę częstotliwości?Zależy mi na wykorzystaniu wyświetlaczy IW-18.Podpieram się zegarem bo tylko to udało mi sie znaleść na necie z tym wyświetlaczem.Na pewno bedzie sie to wiązało z napisaniem jakiegoś oprogramowania do procka,no i przerobienie zegara na skale 

 .Jakie macie zdanie na ten temat?
 
 
 (14-08-2011 16:24)SQ9HHU napisał(a): [ -> ][...]Czy jest możliwość na bazie zegara  zamieszczonego w załączniku zrobić skalę częstotliwości?Zależy mi na wykorzystaniu wyświetlaczy IW-18.[...]
Tak, jest taka możliwość 

W początkach lat 80-tych robiłem częstościomierz do 50 MHz wg opisu z Re 5i6/79 autorstwa Pana mgr Bogusława Kalinowskiego i  wtedy - nie mając dostępu do wyświetlaczy 7-seg LED o niskim poborze prądu, zastosowałem właśnie ИВ-18:
[
attachment=3483]  [
attachment=3484]
W dzisiejszych czasach stosowanie takiego wyświetlacza ma sens jedynie ze względów innych niż praktyczne 

 np. nostalgia za 'oldskulowym' wyglądem, chęć wykorzystania elementów poniewierających się w szufladzie, edukacja...
Aby przerobić ten zegar na częstościomierz (
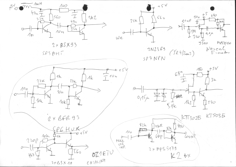
skalę częstotliwości) trzeba umieć oczywiście napisać odpowiedni program z obsługą sekwencyjną wyświetlacza, zapewnić napięcie anodowe dla VFD oraz uzupełnić układ o wzmacniacz wejściowy, np. jeden z tych, które znalazłem szukając rozwiązania dla FK-2007:
[
attachment=3485]
 
 
chyba będę przerabiał skale którą mam  TTL-CMOS ze skali LED na VFD bo programowanie procesorów jest dla mnie czarną magią 

 .A czy Kolega ma możliwość wrzucić skan tego częstościomierza? dużo by mi pomógł prawdopodobnie ten układ z Radioelektronika przy przeróbce mojej skali.
 
 
VFD mają w sobie coś magicznego - warto się potrudzić - efekt murowany.
Moje hercmiarki na lampkach z elwrowskich kalkulatorków:
(mam jeszcze całe pudło nowych IW-18)
 
 (18-08-2011 10:45)SQ9HHU napisał(a): [ -> ][...]chyba będę przerabiał skale którą mam  TTL-CMOS ze skali LED na VFD bo programowanie procesorów jest dla mnie czarną magią 
 [...]
Bartek, nie idź tą drogą... 

A poważnie: TTL dają sporo zakłóceń, które dosyć trudno wyeliminować.
Jeśli chcesz koniecznie użyć VFD i nie znasz się na procesorach, to może
wykorzystaj np. układ częstościomierza 
DL4YHF na płytce zaprojektowanej przez 
SQ2DYL - 
zapewne ma jeszcze PCB wraz z zaprogramowanym mikroprocesorem (bardzo tanio!). 
Po prostu zapytaj go - Łukasz bywa tu na Forum - kontakt znajdziesz w profilu użytkownika.
Skala 
DL4YHF zapewnia sekwencyjną obsługę 5-cyfrowego wyświetlacza LED.
Oczywiście zamiast wyświetlaczy LED zastosujesz bufory i VFD - 
tak, jak na przytoczonym przez Ciebie schemacie zegara.
A niewykorzystane pozostałe 3 cyfry przysłonisz maską na płycie czołowej! 
[
attachment=3529]
PS. A napisanie programu częstościomierza czy zegara to jedno z podstawowych ćwiczeń przy nauce programowania. Dla przykładu zobacz
tutaj jak prosty jest taki program (język C;  skala 4-cyfrowa na AT89C2051 - łatwo można przerobić do 6-cyfrowej 

 ).
 
 
Procesory nie są straszne.. zwłaszcza jeśli znasz TTLe  i  potrafisz logicznie myśleć.. to   AVR + BASCOm jest dla ciebie super startem
http://www.elektroda.pl/rtvforum/topic73...ml#3762333
poklikaj na elektrodzie znajdziesz  kilka gotowców
A jeśli jeszce masz w zasięgu ręki jakiegoś kolege co  praktykuje w BASCOM -.....  :-)
Nawet programatora nie potrzebujesz -  tylko raz trzeba zaprogramowac procka  ( u kolegi bootloaderem)  i potem przez RS232 ( USB)  będziesz wgrywał nowe programy wprost z kompilatora.
a jesli masz pare PLN na inwestycję w Siebie...  to kup jakąs płytke uruchomieniową 
z gotowymi kodami bascom
Albo płytka stykowa... wscalak i kilka drucików...  i można zaczynac..
 
 
Podstawowe funktory logiczne i te bardziej zaawansowane to wyśmienity wstęp do ASM.
I nie piszczie że białe jest czarne 

eot .
 
 
Krzysiek - nie róbmy prosze kolejnego wątku rozproszonego o wyższości....
Wiesz dobrze że zaawansowanie jakie obecnie masz, to wiele lat ASM-blerowania... i używasz ASM prawie jak "prywatnego BASICA" - na wszystko masz już gotowe kawałki kodu napisane i przetestowane wcześniej.
Natomiast dla początkującego "profesorowca"  naprawdę ten 
język z lat 60-siątych  pozwala początkującemu na napisanie woltomierza  w dosłownie kilku linijkach kodu.  
Nawet  14 linijek wystarczy by napisać woltomiesz co wyświetla pomiar co 200 mc na LCD i wysyła pomiary na port szeregowy RS232.
Kod:
$regfile = "m8def.dat"
$crystal = 11059200
$baud = 115200
Config Lcdpin = Pin , Db4 = Porta.4 , Db5 = Porta.5 , Db6 = Porta.6 , Db7 = Porta.7 , E = Portc.7 , Rs = Portc.6    
Dim Pomiar_napiecia As Single
Dim Odczyt_przetwornika As Word
Start Adc
Do
   Odczyt_przetwornika = Getadc(1)
   Pomiar_napiecia = Odczyt_przetwornika
   Pomiar_napiecia = 4.88 * Odczyt_przetwornika
   Lcd "U mv: " ; Pomiar_napiecia
   Print "U mV: " ; Pomiar_napiecia
   Waitms 200
Loop
' jeśli mamy Vref 5V  i pomiar max to 5V  to   5000 mV / 1023  = 4,88   mv na jedną "działkę"
 
Po kolei deklaracja procka, deklaracja  zegara, deklaracja zmiennych  i  deklaracja podłączenia LCD  iiii  program
a przykładowy kod wyświetlający  napis na wyświetlaczy VFD 
 i rzesywający go w różnych kierunkach...
Kod:
'-------------------------------------------------------------
'                        (C) 1995-2010
'        VFD.BAS demonstates the VFD display from
'             "Electronic Design Bitzer"
'  This progam requires the lcdcfd.lib wich is supplied with
'  display
'-------------------------------------------------------------
$regfile = "m88def.dat"                                     ' used processor
$crystal = 8000000                                          ' crystal clock
$hwstack = 40
$swstack = 40
$framesize = 40
'dim some variables
Dim A As Byte , X As Byte , Y As Byte
'include the library
$lib "lcdvfd.lib"
Config Lcd = 20x4vfd                                        ' this is a special 20x4 display
Config Lcdpin = Pin , Busy = Portb.7 , Db4 = Portb.0 , Db5 = Portb.1 , Db6 = Portb.2 , Db7 = Portb.3 , E = Portb.6 , Reset = Portb.5 , Mode = 0
'this display supports various modes, and also has a normal LCD compatible mode. The library supports mode 0 and mode 1
'mode=0 4 bit parallel upper nibble first  , mode=1 4 bit parallel lower nibble first
Waitms 3000                                                 ' in case there was a welcome sign, delay
Lcd "test"                                                  ' show some text
Waitms 1000
Cls                                                         ' clear display
Lcd "VFD display"                                           ' show text
Home                                                        ' set cursomr home
Waitms 1000
Home Lower                                                  'see the cursor jumping
Waitms 1000
Home Third
Waitms 1000
Home Fourth
Waitms 1000
Locate 2 , 2 : Lcd "test"                                   ' use locate
Waitms 1000
X = 3 : Y = 4 : Locate Y , X : Lcd "display"                ' test with variables
Cursor Off
Waitms 1000
Cursor On
Waitms 3000
Cursor Blink
Waitms 3000
Display Off
Waitms 3000
Display Off
Waitms 3000
Display On
Shiftlcd Left
Shiftlcd Left
Waitms 1000
Shiftlcd Right
Waitms 1000
Shiftlcd Down                                               ' this display can shift down
Waitms 1000
Shiftlcd Up                                                 ' and up
Lcdautodim 5                                                ' auto dim in 5 seconds ,to turn it off send a 0
End
 
 
 
eot z tymi językami programowania 
Na schemacie tego sikora z 1 posta zauważyłem że katoda jest grzana
prądem stałym , z tego co pamiętam korzystniej grzać ją prądem zmiennym. Chyba chodzi o to że wtedy jasność wyświetlacza jest
równomierna. Fabryczne urządzenia często mają przetwornicę wytwarzającą napięcie anodowe DC oraz napięcie AC dla katody.
Schemat jakiegoś bardziej wypasionego kalkulatora z Elwro na lampce:
http://obrazki.elektroda.net/64_1271597006.jpg
p.s.
przy okazji poszukiwań wpadłem na fajną stronkę ze wspomnieniami elwrowców 

 warto poczytać.
http://www.elwrowcy.republika.pl/strona65.html
Wśród nich znajdziecie radioamatora 

 
 
Witam Koledzy.Posiadam schemat sterownika do wyświetlaczy VLF,metoda sterowania multipleksowego.W cyfrówce jestem kiepski i mam problem z zaadoptowaniem tego sterownika.Wejścia sterujące ten sterownik to:
1-wpis (reg)
2-dane(data)
3-CLK
Którą skalę częstotliwości można by było zaadoptować z tym sterownikiem?
Uparłem się na te VLF-y
