HomeMade

Pełna wersja: Wzmacniacz pośr. (IF) wg. F6CER, ew. hycas wg. W7ZOI
Aktualnie przeglądasz uproszczoną wersję forum. Kliknij tutaj, by zobaczyć wersję z pełnym formatowaniem.
Stron: 1 2 3 4 5 6 7 8 9 10 11 12 13 14 15 16 17 18 19 20 21 22 23 24 25 26 27 28 29 30 31 32 33 34 35 36 37 38 39 40 41 42 43 44 45 46 47
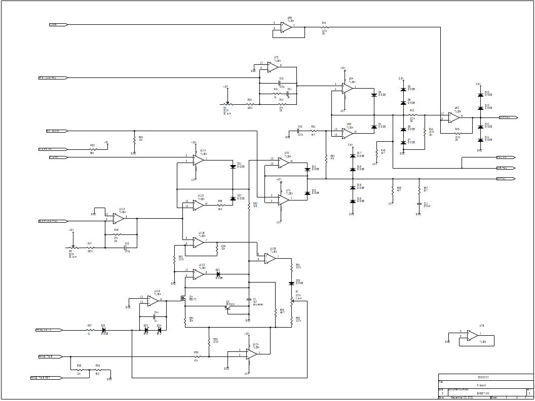
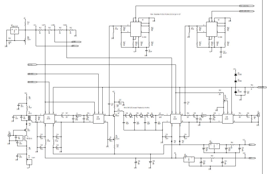
wklejam schematy IF i AGC TRXa CDG2000, aby było wiadomo o czym pisałem. Linki do dokumentacji w wątku o CDG2000 nie działają.
[attachment=19211]


[attachment=19212]


[attachment=19213]

Schematy są tylko poglądowe, aby uzmysłowić sobie jak powinno wyglądać ARW, gdy wewnątrz toru wklejony jest filtr (obojętne jaki). Można to zrobić prościej na innych elementach, ale należy zachować ideę schematu blokowego.

Kompletny opis CDG2000 znajduje się tu: https://warc.org.uk/?page_id=81

Warto też spojrzeć na profesjonalne rozwiązania z filtrami elektromechanicznymi choćby takimi jak odbiorniki EKD np. EKD300, EKD500. Nie jestem tego pewny, ale w tych odbiornikach układ ARW działa chyba dopiero za filtrem elektromechanicznym.
W ten sposób nie występuje problem opóźnienia wewnątrz pętli ARW. Okupione to jest koniecznością zastosowania mniejszego wzmocnienia w stopniach wstępnych, a co za tym idzie większymi szumami całego odbiornika. Konieczny był kompromis.

W podobnym aspekcie szczególnie godne podziwu są odbiorniki firmy Racal. Tam dodatkowo przed mieszaczem wejściowym zastosowano jeszcze szerokopasmowy wzmacniacz w.cz. obejmujący cały KF, a mieszacz wykonano na mosfetach o znacznie większej dynamice niż diodowy w odbiornikach EKD.
Pomimo braku regulacji ARW w stopniach wstępnych IP3 przekraczało 31dBm przy jednoczesnej czułości 0,1uV dla SSB 3kHz (mierzyłem osobiście).

Dziś nawet amatorsko mamy do dyspozycji elementy o jakich w "socjaliźmie" nawet profesjonalistom się nie śniło i możemy budować konstrukcje podobne raczej do Racali niż do EKD. Mam na myśli konstrukcje tradycyjnie analogowe, takie jak w tym temacie, bo DSP to zupełnie inna bajka...
Trochę wiedzy od człowieka który zna się na tym: https://www.qsl.net/va3iul/Files/Automat...ontrol.pdf
Btw. przymierzałem się jakiś czas temu do podwójnej przemiany z dwoma filtrami elektromechanicznymi w drugiej pośredniej (fragment projektu leży gdzieś na tym forum) i "wymiękłem" kiedy uświadomiłem sobie, jakie potencjalne niestabilności takie filtry powodują gdy objęte są automatyką. Projekt uznałem za nierealizowalny przy moich możliwościach sprzętowych.
Na dziś proponuję rozważyć jeszcze jeden temat związany ze wskaźnikiem S-metra/Power_metra. W związku z brakami wskaźników mechanicznych wychyłowych przetestowałem możliwość zastosowania jednego z projektów dostępnych w internecie na bazie wyświetlacza OLED 0,96 cala i Arduino Nano.
W załączeniu pakiet potrzebnych plików z programem, plik .lay płytki testowej którą zrobiłem. Program ma możliwość wskazań S-metra, Power, VSWR, VU. Sygnał do Power, VSWR jest podawany z mostka - w naszym przypadku mostek jest na płytce LPF drivera PA. Wskazanie VU można wykorzystać przykładowo do kontroli poziomu wysterowania z mikrofonu.
[attachment=19216]
Program nie ma przełączania inwersji napięć do wskazania S-metra (działa od 0V do 5V), konieczny jest inwerter napięcia, gdyż z ARW p.cz. na mosfetach mamy napięcia 6V-0V (odwrotne potrzebne do sterowania mosfetów).
Film z prezentacji jak pracuje wskaźnik.
https://youtu.be/PqjetDwJxM0

Poniżej schemat wykonanego invertera.
W trakcie prac jest własne opracowanie takiego układu z innym wyglądem wskaźnika, przedstawię jak będzie gotowe.
Fajny jest ten S-metr. ale za szybko się macha. trzeba wprowadzić większą stałą czasową i spowolnić wskazówkę. Zrobiłbym to analogowo nie ruszając softu.
Odnośnie uwagi w sprawie szybkości wskazówki S-metra:
Na schemacie przedstawionym wyżej "invertea napięcia ARW" jest kondensator w bazie BC547B - od wartości tego kondensatora zależy inercja wskazówki. Filmik był z wartością 10uF, po zwiększeniu do 22uF jest już całkiem dobrze. Można wg własnych oczekiwań dobrać wartość tego kondensatora i spowolnić ruch wskazówki.

WAŻNA UWAGA DLA OSÓB MONTUJĄCYCH TOR P.CZ. BLU
Na płytce wersji v3 (PCB zielona) i v X (PCB niebieska) wyszedł problem z jednym padem pod rezystor smd, który po prostu "uciekł" ze swojego miejsca. Nie wiem jak to się stało.
W związku z tym brakuje go w obwodzie drenu trzeciego mosfeta w miejscu wlutowania rezystora 100R. Należy zdrapać lakier i wlutować na ścieżki ten rezystor.
Poniżej zdjęcie płytki z zaznaczeniem tego miejsca rezystora 100R i pad gdzie "powędrował"...

[attachment=19217]
Złożyłem część odbiorczą transceivera B-L-U. Układ rusza od pierwszego włączenia. U mnie były minimalne problemy, które wynikły tylko z mojej winy. Jak na taki modułowy układ jest to duży sukces Piotra, który wszystko doskonale dograł. Trudniejsze elementy do strojenia, takie jak diplekser są bardzo dobrze opisane w instrukcji uruchomienia. Układ cechuje się nie tylko dobrymi parametrami ale jest też nowoczesny - super mieszacz.
Jest to pierwsza moja konstrukcja, którą złożyłem i w której dobrze działa ARW. ARW działa ale nie słychać tego działania i dlatego nie przeszkadza w odbiorze. Jest to zasługa Piotra, który na tę część układu trx-a poświęcił wiele czasu. Marudziłem mu okrutnie, czego oczekuję od dobrego ARW, ale wytrzymał to i sprostał zadaniu !
U mnie sterownik VFO nie robi żadnych zakłóceń na 21 i 28 MHz. Jeszcze nie miałem takiego doskonałego efektu. Zawsze coś ćwierkało, najczęściej przy odłączonej antenie. Tu jest cisza ! Jeszcze nie rozumiem dlaczego, ale układ z mosfetem i to objętym ARW po I mieszaczu jest bardzo odporny na zakłócenia intermodulacyjne. Odbiornik cechuje się też subiektywnie dużą "dzielnością".
Poza tym szumy własne są znikome i układ ma niezwykłą grafikę na wyświetlaczu (przydałby się większy wyświetlacz, ale nie można mieć w życiu wszystkiego i to jeszcze za darmo!).
Podsumowując, Piotr zrobił bardzo dobre radio i jest to Jego wielka praca. Słuchanie tego RX-a to czysta przyjemność a układ jest tak dograny, że jeśli ktoś porządnie go zmontuje, to ruszy od pierwszego włączenia. Piotr, chapeau bas !
A co pokazuje S-metr jak mu podasz z generatora 0,1uV 0,7uV, 13uV 25uV 50uV. itd
Czy S-metr daje się wykalibrować szczególnie dla małych poziomów poniżej S-5 ?
Zapytałem, bo na spotkaniu w Burzeninie proponowałem Piotrowi dorobienie osobnego układu S-metra na układzie logarytmującym AD.
Na Ali są gotowe moduły z układem AD8307 w niewielkiej cenie, można by to wykorzystać.
Temat pierwszy: S-meter.
Odnośnie propozycji Henryka. Temat chyba był już częściowo poruszany.
Niestety w układzie transceivera B-L-U superheterodynowego (z przemianą częstotliwości) nie jest tak prosto dołożyć odrębny układ S-metra na wzmacniaczu logarytmicznym. Dlaczego?.. Układ S-metra musi "słyszeć" to samo co my w głośniku. To oznacza, że sygnał musi przejść przez filtr SSB/CW i dopiero wtedy można go mierzyć. Na dodatek miejsce pomiaru musi być przed układem wzmacniaczy objętych ARW (w naszym przypadku trzy mosfety). BLU został tak przeprojektowany w torze IF (względem F6CER), że jeden z mosfetów objętych ARW (który robi świetną robotę) jest przed filtrami (SSB/CW). To oznacza, że gdyby wykonać odrębny tor pomiaru S-metra trzeba by zrobić dosłownie drugi odbiornik. Czy odbiornik musi być przyrządem pomiarowym?
Nie można podłączyć wzmacniacza logarytmicznego pod sygnał ARW, bo to daje kompletnie odjechane wychylenia wskaźnika mechanicznego (wpierw nic a potem od razu max).
W przypadku BLU wskazania (a nie pomiar) S-metra są wykonywane na bazie pomiaru napięcia automatyki - sygnału ARW, który jest podawany na bramki drugie G2 mosfetów w torze p.cz. (IF). Układ regulacji sprzężenia zwrotnego ARW reaguje na sygnały w zależności od ich siły, a więc również zależą one od wzmocnienia odbiornika - w naszym przypadku od anteny do wyjścia modułu IF. To oznacza, że włączanie przedwzmacniacza antenowego wpływa na reakcję ARW i wskazania S-metra. Weryfikacja wskazań S-metra jest zatem związana z tym czy pre-amp jest włączony czy nie. Na dolnych pasmach nie włączamy go, na 21 i 28 MHz włączamy go. Zatem pytanie w jakiej wersji weryfikować wskazania.
Ten sam problem dotyczy urządzeń fabrycznych z włączanymi pre-amp i to na dodatek czasami dwa poziomy. Najczęściej nikt na to nie zwraca uwagi i podaje "na ślepo" raport z S-metra nie zastanawiając się czy ma to cokolwiek wspólnego z tabelą napięć na wejściu odbiornika. Często nie ma.
Natomiast w przypadku SDR-ów czy innych układów TRX opartych na bazie układów homodynowych (to chyba każdy jest w stanie wymienić nazwy jakie) sprawa odczytu poziomu sygnałów i podania wskazania S-matra jest inna i na dodatek prosta. Poziom sygnału można odczytać po pierwszym przetworniku wejściowym i odrębnym wzmacniaczem logarytmicznym - następnie podać napięcie na procesor z programem który przetworzy tą informację na wyświetlacz. Wyświetli jako dBm czy S - standard dla SDR-ów obsługiwanych przez programy komputerowe. Oczywiście ten program jest prosty, ale tylko dla programisty...

Temat drugi: "Odbiornik z torem p.cz. na FEM 500kHz i mosfet objęty ARW przed tym filtrem - podejście teoretyczne czy praktyczne?"
Wykonałem i uruchomiłem.
Koledzy podali obawy dotyczące poprawności pracy ARW, jeśli wzmacniacz objęty ARW będzie przed FEM, który wprowadza znaczące opóźnienie.
W przypadku B-L-U wzmacniacz IF to jeden mosfet przed filtrem, a dwa za filtrem FEM. Tak to pracuje poprawnie w torze IF na filtrze kwarcowy wersja 9MHz (PP9A2).
A jak w przypadku konfiguracji gdy zmienimy tor IF na układ 500kHz i jako filtry zastosujemy FEM. Wykonałem taki tor IF jako odbiornik z pojedynczą przemianą i uruchomiłem w pasmach 80-40-20m, nie przejmując się na razie bliską częstotliwością lustrzaną (wykonanie dobrych BPF zostawiam na później).
Efekt?... ARW w torze IF B-L-U na 500kHz z FEM pracuje REWELACYJNIE !
ARW pracuje na sygnale p.cz. 500kHz - zgodnie z układem PCB IF B-L-U.
Dlaczego tak oceniam?
- tor IF na 500kHz jest absolutnie stabilny, nie wykazuje żadnych tendencji do podwzbudzeń,
- ze względu na stabilność nie trzeba tłumić obwodów rezonansowych w drenach mosfetów (na 500kHz zastosowałem kubki - cewki 7x7 nr 101) - czyli można uzyskać większe wzmocnienie,
- pierwszy mosfet w drenie ma obciążenie dławikowe (1mH) - by dopasować się do FEM, co podnosi wzmocnienie tego stopnia w stosunku do obciążenia rezystancyjnego jak w przypadku wersji na 9MHz (by dopasować się do PP9),
- samo ARW zachowuje się inaczej niż w wersji na 9MHz - tu nie wiem dlaczego ?, wrażenie jest takie jakby sygnał lepiej podlegał detekcji niż na 9Mhz i jak w wersji ARW na m.cz., kondensatory "filtrujące" w detektorze mają małe wartości (100nF smd i 560nF styroflex) a uzyskuje się na nich bardzo dobrą detekcję (czas podtrzymania i czystość sygnału ARW).

Teraz by coś potwierdzić "słuchowo" - film z pierwszych nagrań odbiornika z pojedynczą przemianą z IF na 500kHz filtry FEM na bazie modułów B-L-U.
Uwaga: na końcu filmu jest "test" szumu własnego odbiornika (wykręcam antenę). Koledzy kiedyś pytali czy mam jakiś przyrząd do pomiaru współczynnika szumu - nie - bo nie ma co mierzyć Smile. A tak na poważnie to IF na 500kHz pomimo większego wzmocnienia osłuchowo ma mniejszy szum niż IF na 9MHz.











Pomiary toru IF na 500kHz. Ch-ki filtrów FEM i praca ARW.

Charakterystyka filtru FEM SSB zmierzona w torze IF.
[attachment=19219]

Charakterystyka filtru FEM CW zmierzona w torze IF.
[attachment=19220]

Praca ARW przy zadaniu sygnału S9+40dB filtr CW.
[attachment=19221]

Praca ARW przy zadaniu sygnału S9+40dB filtr SSB
[attachment=19222]

Realna praca ARW w paśmie 40m przy odsłuchu silnej stacji SSB. Widać moment rozpoczęcia nadawania.
[attachment=19223]


Jak widać z pomiarów pracy ARW potwierdza się obrazowo - funkcjonuje prawidłowo - pomimo że jeden stopień wzmacniacza IF na mosfecie regulowany ARW jest przed FEM, a filtr elektromechaniczny jest objęty pętlą ARW. Nie wiem dlaczego to tak dobrze funkcjonuje, ale ponoć praktyka jest wtedy, kiedy coś ma nie działać , a działa.

Schemat ARW dla toru IF 500 kHz w wersji uruchomionej ostatecznie.
Moim zdaniem ARW pracuje prawidłowo z dwóch powodów
1. ARW posiada niewielki zakres regulacji. Z pomiarów generatorem testowym, które razem wykonaliśmy w Burzeninie wynikało, że ARW zaczynało pracować dopiero powyżej poziomu S-5. Poniżej tego poziomu miernik S wogóle się nie wychylał. Należałoby go przeskalować, tak, aby skala zaczynała się od S-5. inaczej wskazania będą nieprawdziwe. Jest to dosyć powszechny mankament występujący również w wielu fabrycznych radiach - tam zwykle S-metr startuje dopiero przy poziomie S-3 a na mierniku pokazuje S-1. W tym TRXie start przy S-5 świadczy o około 30-decybelowym braku wzmocnienia w torze radia - taka została przyjęta koncepcja, dlatego radio jest ciche i prawie bezszumowe. Ma to swoje zalety. Dzięki mniejszemu wzmocnieniu ilość stopni wzmacniających jest mniejsza czyli jest mniej tranzystorów do zniekszałcania sygnału. Nie chcąc rezygnować z tych zalet należałoby albo przeskalować wizualnie skalę S, aby zaczynała się od S-5, albo dokonać reformy toru samego S-metra.
Twierdzenie, że układ logarytmujący nie będzie działał za filtrem jest moim zdaniem błędne. Układ AD8307 jest bardzo czuły, pomimo braku wzmocnienia w torze TRXa wyciągnie sygnał od poziomu s-1. Nie będzie sytuacji, że nic nie będzie pokazywał.
Zauważ, że dla bardzo małych sygnałów w zakresie od S-1 do S-5 kiedy tor ARW jeszcze nie działa wzmocnienie jest maksymalne. Układ AD włączony za filtrem będzie w tym zakresie działał poprawnie, a nawet wzmocnienie będzie za duże i konieczny będzie dodatkowy PRek do wyregulowania poziomu, aby szumy były na swoim miejscu i nie wysterowywały S-metra. W momencie osiągnięcia poziomu S-5 włączy się pętla ARW i będzie dokonywać swojego dodatkowego logarytmowania sygnału. Oznacza to, że od tego poziomu sygnał będzie wzrastał mniej niż by to wynikało z działania tylko samego układu AD8307.
Na skali S-metra objawi się to zagięciem skali czyli poziomy powyżej S-5 będą bardziej zagęszczone na skali S-metra.
Jedyne niebezpieczeństwo , które tu występuje to możliwość wzbudzania się układu. Powinien on być podłączony masą przy samym filtrze a reszta sygnałów wyprowadzona poprzez dławiki w.cz. warto też zaekranować całą płytkę S-metra.

2. Drugi powód poprawnej pracy ARW wynika z tego, że większość regulacji odbywa się za filtrem i jeden regulowany stopień przed nie odgrywa tak dużej roli w całym układzie.

P.S.
A tak nawiasem, czy wykonałeś już swój generator testowy? Bardzo ułatwiłby kalibrację S-metra.
Na chińskim portalu dostępne są regulowane co 1dB tłumiki w cenie około 100zł. Pozostałoby zrobienie tylko sanego generatora z tłumikiem wstępnym, aby poziom wyjściowy wynosił 0dBm.
Dziękuję Henryku za wyczerpującą wypowiedź. Może też wypunktuję swoje przemyślenia.
1. To jak zaczyna pokazywać s-metr nie tylko zależy od wzmocnienia całego toru ale również w naszym przypadku od ustawiania wzmocnienia wzmacniacza w torze ARW czyli wzmocnienia MC1350. Jak omawialiśmy temat w Burzeninie, w BLU jest włączany pre-amp który dodaje "czułości" i automatycznie wskazania s-metra się podnoszą (identycznie zresztą ja w urządzeniach fabrycznych). Pozostaje więc cały czas dylemat jak mierzyć czułość.. Nie mam kalibrowanego wzorca S1, czułość porównuję na podstawie wskazań FTdx10. Jego używam jako wzorzec poziomów sygnału wzorcowych, które zadaję na swoje urządzania. Myślę że te tłumiki co proponujesz w końcu nabędę. Mam różne tłumiki od 3 - 30dB, mogę poskręcać w sumie do 100dB i nimi się posługuję przy zadawaniu sygnałów wzorcowych (za każdym razem mierzę).
Jak doskonale wiemy, zakres dynamiki odbiornika to nie tylko dynamika ARW, ale do tego trzeba doliczyć wzmocnienie włączanych przedwzmacniaczy (pre-amp) i tłumienia tłumików (ATT) ... w sumie to da pełny zakres możliwości pracy odbiornika... każde nawet fabryczne urządzenie to ma.
2. Mierzę napięcie ARW podczas testów, czyli jak zmienia się napięcie na G2 mosfetów w torze wzmacniacza p.cz. przy silnych sygnałach i przy zadawaniu sygnału testowego (np. ten S9+40 dB wg. FTdx10).
Wynik pomiaru w BLU trzeba wyliczyć, bo w źródłach są diody LED które dają do zasilania źródeł 2,1V napięcia odniesienia w stosunku do masy. Jeśli napięcie na G2 spada przy tych najsilniejszych sygnałach do 1,8V na G2 to znaczy, że G2 w stosunku do S mają -0,3V. Przy tak głębokiej regulacji trudno jest tłumaczyć, że ARW działa prawidłowo (nie ma oddziaływania regulacja ARW przez filtr FEM), bo jest mały zakres regulacji ARW... ile ma jeszcze spaść napięcia na G2 by zaczęły się problemy?... Wg. mnie to nie ma znaczenia... gdyby się coś działo w związku z objęciem ARW filtrów FEM to już było by zauważalne... więc ten argument raczej odpada że jest za mała regulacja ARW i dlatego działa poprawnie...
I tu powstaje zasadnicza kwestia, jeśli pokazany testowy moduł p.cz. na FEM na 500kHz planuję wykorzystać do przetestowania trx z tak niską pojedynczą przemianą na pasmo 80m i ew 40m, to jaka czułość odbiornika jest potrzebna.. czy jest jakikolwiek sens dochodzenia do 0,15uV i rozpoczynania wskazań s-metra od S1?????
3. Przychylił bym się do tego wytłumaczenia, że w układzie jeden mosfet plus filtr FEM jest objęty ARW, a dwa mosfety są regulowanie bezpośrednio z ARW. Układ tak się "zapętlił", że autoregulacja niweluje wszelkie problemy opóźnień czasowych - jeśli nawet są tak duże, że miały by wpływ na odbiór. Nigdzie nie znalazłem informacji jakie jest właściwie opóźnienie sygnału przez FEM i jaki ma to rzeczywisty (a nie teoretyczny) wpływ na opóźnienie reakcji ARW, a zatem psucie odbieranego sygnału. Czytałem opracowania Konstantina Shulgina - guru w temacie FEM, ale nigdzie on nie zwraca uwagi na temat opóźnień sygnałów wprowadzanych przez FEM.
4. Odnośnie układu logarytmującego do s-metra, to chyba nie zrozumieliśmy się. Ja pisałem konkretnie o p.cz. BLU, w którym pierwszy mosfet przed filtrem jest objęty ARW, w związku z tym podłączenie wzmacniacza logarytmicznego za filtrem, a zatem z pierwszym mosfetem objętym ARW spowoduje, że sygnał podawany na wzmacniacz logarytmiczny s-metra będzie "zaburzony" przez pracę ARW, czyli nie będzie pokazywał rzeczywistego poziomu sygnału odbieranego... Układ wzmacniacza logarytmicznego s-metra musi być podłączony przed stopniami objętymi ARW. To taki szczególny przypadek BLU. Kolejna sprawa to to "zgęszczenie" wskazań... testowałem AD8307 z wskaźnikiem wychyłowym czyli wskazówkowym, to zagęszczenie jest za duże do rozróżnienia sygnałów S8 wzwyż... chyba że używamy wielkiego wskaźnika ze starego przyrządu pomiarowego, a ja jak widać na filmikach podpinam małe... wskazania muszą być raczej liniowe... wg. mnie AD8307 jest doby, ale jakbyśmy dawali sygnał na wyświetlacz i przepuścili sygnał przez procesor który by go przeliczał i odpowiednio wyświetlał.... sprawa rozwojowa..
5. I temat ostatni, wracając do tej czułości odbiornika z punktu widzenia praktycznego... mój podstawowy test wystarczającej czułości odbiornika polega na tym, iż po wkręceniu anteny szum pasma ma być większy niż podłoga szumowa odbiornika, co wyraźnie pokazuję na filmikach. Nie potrzebuję by odbiornik wzmacniał mi szum z pasma do S3-S5 bo i tak poniżej tego szumu sygnały będą nie czytelne (chyba że CW do 10dB poniżej)... na wyższe pasma jest włączany pre-amp by obniżyć podłogę szumową odbiornika, na których szum z pasam jest mniejszy i to jest wystarczające rozwiązanie.
Ja mam dobre warunki pod względem zakłóceń prawie ich nie mam, więc szum z anteny jest w większości szumem anteny+szum odbierany przez antenę. To też słychać, że mam naturalny szum a nie jazgot od lokalnych zasilaczy impulsowych..
A co powiedzieć osobom, które po wkręceniu anteny mają zakłócenia na S7-9?... czułość psuje im tylko odbiornik...

Moja propozycja jest taka, by ktoś wykonał też ten tor p.cz. z BLU z FEM i podzielił się swoimi spostrzeżeniami.
Stron: 1 2 3 4 5 6 7 8 9 10 11 12 13 14 15 16 17 18 19 20 21 22 23 24 25 26 27 28 29 30 31 32 33 34 35 36 37 38 39 40 41 42 43 44 45 46 47
Przekierowanie