Mimo coraz lepszych półprzewodników przekaźniki jako łączniki obwodów nadal chętnie są stosowane i wynika to z wielu pozytywnych właściwości. Są jednak i wady a wśród nich stosunkowo duży pobór prądu wymagany do uruchomienia kotwicy przekaźnika. To mały problem jeśli przekaźnik przełącza się stosunkowo rzadko i jego pobór mocy można pominąć w ogólnym bilansie. Ale jeśli tych przekaźników jest więcej to sumaryczna wartość prądu wymaganego do ich zasilenia może przekroczyć pobór generowany przez sterownik nimi zarządzający. Dobrym przykładem jest skrzynka antenowa gdzie często mamy 16 i więcej przekaźników, które muszą być wysterowane. Sytuacje może uratować przekaźnik bistabilny, który "pamięta" swój stan po zadziałaniu. I tu mamy dwie grupy jedno i dwucewkowe. Jednocewkowa wymaga przełączenia biegunowości w impulsie przełączającym stan, dwucewkowa wysterowania odpowiednio jednej lub drugiej cewki. Zatem komplikuje się sterowanie.
Rozmyślając nad radiem z minimalistycznym poborem prądu nie sposób pominąć tej szczególnej cechy przekaźników bistabilnych. Zmiana stanu wymaga jedynie impulsu prądu wymaganego do ich przełączenia a więc stosunkowo krótkiego (kilka mS najczęściej). Jak zrealizować proste a jednocześnie skuteczne przełączanie?
Mój pomysł polega na zastosowaniu przekaźnika jednocewkowego, dwóch kondensatorów i drivera z wyjściem push-pull.
[
attachment=18398]
Jak to ma działać? W stanie ustalonym jeden z kondensatorów jest zawsze naładowany, drugi rozładowany. Po zmianie stanu cewka korzysta z ładunku zgromadzonego w tym pierwszym i ładuje drugi podwajając energię. Pojemność kondensatorów trzeba dobrać tak by zachować minimalną wymaganą długość impulsu potrzebnego do zadziałania przekaźnika a wydajność prądowa wyjścia drajwera musi to gwarantować. Przećwiczyłem to z AZ850 i 47uF. Jako driver NE555. Działa.
Może nie jest zgodne ze sztuką ale gdy mamy do wyboru podwojenie wyjść i linii sterujących może czasem ułatwić poprowadzenie ścieżek na druku.
Co sądzicie?
W układzie są możliwe "hazardy" skutkujące niemożliwością przełączenia lub błędnym stanem przekaźnika:
1. W momencie podania zasilania układ jest w stanie nieokreślonym przekaźnika (konieczny wstępny reset).
2. Wskutek naturalnych upływów wyrównują się napięcia na kondensatorach skutkujące możliwością niezadziałania przekaźnika pomimo właściwego wysterowania.
Próbowałem stosować podobny układ do przełączania przekaźnika n/o we wzmacniaczu przyantenowym na ukf i musiałem go porzucić z powodów które przytoczyłem.
Sensnowniejszy byłby układ pełnego mostka - cztery mosfety zamiast układu półmostkowego jak w Twoim pomyśle.
Stan przekaźnika po włączeniu zasilania jest ustalony. Wynika on z cechy przekaźnika i w tym sensie nie trzeba nic robić. Po prostu "pamięta " stan sprzed wyłączenia zasilania (pomijam stany nieustalone układu w momencie wyłączania). Jak się zachowa układ? Czas do ustabilizowania się właściwości drajwera powinien być krótszy niż stała czasowa układu cewka/kondensatory i moim zdanie nie powinien sprawiać problemu. Jeśli wyjście jest na "0" nastąpi naładowanie "górnego" kondensatora przez cewkę do masy, dodatkowo wspomagane ładowaniem "dolnego" i taki stan się ustali. Ew próba zmiany stanu na ten sam nie wywoła skutku. I przeciwnie jeśli do zmiany dojdzie. Upływności kondensatorów nie mają większego znaczenia bowiem są o rzędy wielkości mniejsze niż rezystancja cewki która zawsze jest dołączona przez wyjście drajwera albo do zasilania albo do masy. Oczywiście utrata pojemności wiąże się z brakiem działania układu i jako taka musi być traktowana jako awaria.
Dla pełnej jasności. Oczywiście zgodnie ze sztuką drugi koniec przekaźnika może być zasilany 1/2 napięcia zasilania, sam przekaźnik wymaga wtedy większej energii impulsu przełączania a wyjście drajwera trójstanowe ale to już zupełnie inna sprawa bo w tym przypadku trzeba zadbać o włączenie, zmianę stanu, wyłączenie drajwera i to już musi być uwzględnione w algorytmie sterownika. W przypadku kondensatorów trzeba zadbać wyłącznie o zmianę stanu i może być zrobione w gotowym układzie. To tylko pomysł.
A jakich przekaźników używacie i skąd, bo to by była przydatna praktyczna informacja

Na szybko odpowiem, że do prób użyłem przekaźnika AZ850-12 na 12V i ich odpowiedników zakupionych w
Piekarz.pl. Dalsze badania jutro.
Zerknijcie na K2 elecrafta, stosuje to rozwiązanie w BPF, LPF i ATU do tego modelu. Działa to bardzo sprawnie i skutecznie. A jeżeli był przykład że skrzynką antenową, to w tym wypadku najprostszy model AT1 tejże firmy.
Vy 73!
Zerkam ale nie potrafię odszukać źródła sygnału RY COM. Przekaźniki są bistabilne na 5 V z jedną cewką. Zatem sterowanie opiera się na zmianie polaryzacji cewki z 0/5V na 5/0V i na odwrót. Znalazłem już kilka różnych schematów do K2 i żaden nie zawiera schematu połączeń poszczególnych modułów między sobą.
Po analizie schematu skrzynki wychodzi, że mechanizm jest inny i jeśli dobrze rozumiem to zakłada podanie potencjału na jeden przekaźnik, który ma zmienić stan w czasie gdy wszystkie pozostałe mają stan przeciwny. Po dokonaniu zmiany wszystkie maja ten sam stan. Czy dobrze myślę?
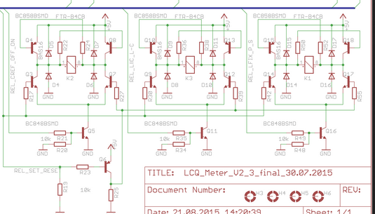
Słabe zainteresowanie tematem sądząc po liczbie odsłon wynika chyba z małej skali stosowania przekaźników jako takich w urządzeniach zatem by nieco podkręcić temat fragment schematu który uzmysławia ile nakładów można włożyć by sterować przekaźnikami bistabilnymi.
[
attachment=18400]
Rozwiązanie z elecrafta K2 jest optymalne dla przekaźników, które można zasilać bezpośrednio z portów procesora.
Z drugiej strony zawsze można dołożyć bufor z pary N-P MOS i zastosować inny przekaźnik.
(15-10-2023 10:19)SP9FKP napisał(a): [ -> ]Słabe zainteresowanie tematem sądząc po liczbie odsłon wynika chyba z małej skali stosowania przekaźników jako takich w urządzeniach zatem by nieco podkręcić temat fragment schematu który uzmysławia ile nakładów można włożyć by sterować przekaźnikami bistabilnymi.
Tak generalnie to pewnie jedyne zastosowanie przekaźników bistabilnych z jakimi się większość z nas spotkała to załączanie oświetlenia.

Przekaźniki bistabilne mają tyle samo wad co zalet a największa wada to ich gama i dostępność więc zawsze trzeba zadać sobie pytanie czy za dwa albo pięć lat zastosowany przekaźnik kupię.
Co do pobieranego prądu przez załączony przekaźnik to o ile nie walniemy byka w projekcie, zasilane mają być tylko te przekaźniki, przez który przechodzi sygnał, nawet w skrzynce antenowej czy zespole filtrów pasmowych będą załączone dwa lub cztery więc trzeba policzyć co zyskamy a co stracimy stosując przekaźniki bistabilne.
Z tego co pamiętam to o sile działania przekaźników decydują amperozwoje.
W ubiegłym wieku w czasie niedoborów w którymś z Radioelektroników był artykuł o przezwajaniu przekaźników i cała teoria pozwalająca na samodzielne ich przezwajanie.