Od Pana Dawida (DW radio) dostałem obudowę od Paraseta. Części mam od dawna i dziś odebrałem obudowę o cynkowania na czarno? Nawet nie wiedziałem że coś takiego jest, ale wygląda dobrze. Docelowo pomaluję takim lakierem który wygrzewa się w piekarniku...
Ale do rzeczy. siadam do Paraseta ale zrobię dwa. Jednego starannie, a drugiego też starannie, ale tak jak bym robił w warunkach okupacyjnych. Serio. Obudowa drewniana, z tych części co mam, żadnych ozdobników, zgodnie z zasadami sztuki i tyle. Zobaczymy jak to będzie?
Na foto obudowa po cynkowaniu (- 40 zł) i klimatyczna tekturowa walizeczka na szpeje.... (- 40 zł)
Jeśli macie jakieś uwagi to proszę....
Frycz.
[
attachment=13071][
attachment=13072][
attachment=13073]Witam kolego Robercie . Jeżeli chcesz wykonać Paraseta , mogę trochę pomóc (głównie doradztwem ) . Rok temu udało mi się go złożyć i uruchomić . Nie mam jeszcze skrzynki drewnianej . Także wbudowany klucz telegraficzny jest dopracowywany . Myślę , że Paraseta możesz składać spokojnie i "fabrycznie" , bo nie był produkowany w warunkach okupacyjnych lecz w nieokupowanej Wielkiej Brytanii w zakładach w Stanmore . Dla tego też zachowała się dokumentacja i trochę oryginalnych egzemplarzy . Zbieram teraz części do trudniejszego dzieła , czyli radiostacji powstańczych . Te rzeczywiście powstawały pod bombami i przy braku podzespołów . Także dokumentacja i zdjęcia są bardzo skąpe . Pozdrawiam i życzę powodzenia ! Krzysztof SP2AQS
Piękne,
Jedynie co, to zastosował bym wkręty z łbem stożkowym....
Wpuszczone jak na foto
RF.
No to zrobiłem skrzyneczki drewniane. Taki amerykaniec twierdzi, że radia w skrzynkach metalowych są mniej czułe a w drewnianych bardziej - tłumienie. Skrzynki trochę większe od oryginalnych ale po to żeby mieć trochę przestrzeni. Zrobię też dokładnie taką jak trzeba ale jak przyjdzie tarcza do piły. Z rozpędu zrobiłem dwie....
Płyta sklejki + listewki+ klej wikol = 70 PLN.
F.
Skrzynka skrzynka ale powedzcie kto Wam robi te pokretła ze skalą?? no weź i to kup ...(!) ale wrażenie robi . Odbiornik mi sie tez podoba jak dam rade czasowo to sobie złożę na współczesnych lampach. Sprawdzałem , oryginalne maja nachylenie 2,5 mA /V a np EF89 ok 4,5 5,5 mA/V. Czyli powinno zagrać nawet przy napięciu o 100V niższym. Owszem kiedys w takim starutkim warsztacie w Gorzowie u śp. pana Dmochowskiego widziałem takie lampy jak oryginalne. teraz to juz w sferze marzeń. Pan Dmochowski juz patrzy z góry, a lampy dawno w śmietniku spróbował bym jeszcze na lampach bateryjnych od snody meteo. Mam kilka 2P29P sprawne. Ciekawy jestem... Na bateriach typu żelowego 12V od zasilaczy NMT 450. sześć takich daje 70V zobaczymy.
Amerykaniec twierdzi ze radia w skrzynkach metalowych są gorszego sortu... Niech posłucha odbiornika USP. Nie trzeba innych albo RBM-ki, szczęka opadnie mu do podłogi.
(19-09-2017 22:55)SP3SUZ napisał(a): [ -> ]/.../
Amerykaniec twierdzi ze radia w skrzynkach metalowych są gorszego sortu... Niech posłucha odbiornika USP. Nie trzeba innych albo RBM-ki, szczęka opadnie mu do podłogi.
To taki typ naukowca, i powiedział coś w rodzaju:
Metalowe obudowy wprowadzają pewne tłumienie i pogarszają dobroć cewek (chodziło mu o duże cewki takie jak nadawcza w RBM czy Parasecie) , dlatego ja robię obudowy drewniane.
Może coś w tym jest np RBM ka miała by czułość nie 0,5 ukV tylko 0,46 ukV i moc nie 1,2W tylko 1,35W Z tym że takie radio ( w drewnie) też jest bardziej podatne na zakłócenia.
Jak zrobię Paraseta to porównam pracę w obudowie ze sklejki blaszaną... Lampy metalowe mam ale na początek zastosuję EF80 i EL84 w czarnych kubkach ekranujących...
F.
Pozdr!
Ma to sens. Coś za coś. Metalowa obudowa za to nam wycina trochę zakłócenia co w czasach nadających świetlówek, nadających żarówek, nadających zasilaczy, komórek, routerów i innego badziewia ma pewne znaczenie....
No więc miałem chwilę czasu i zrobiłem kolejną skrzynkę do Paraseta.
https://youtu.be/NLpPZpoWy9U
Tym razem w wymiarze takim jak trzeba, tylko nieco wyższą, ale odrobinę żeby zmieścić tam podręcznik... No i będę mógł porównać jak działa w obudowie metalowej a jak w drewnianej
* mam teraz spóźnioną fascynację filmami time-lapse

Podziw za to, że chce Ci się tak bawić

Widać, że masz zacięcie stolarza

Za moich czasów takie układy nazywało się 0-V-2
Pozdrawiam
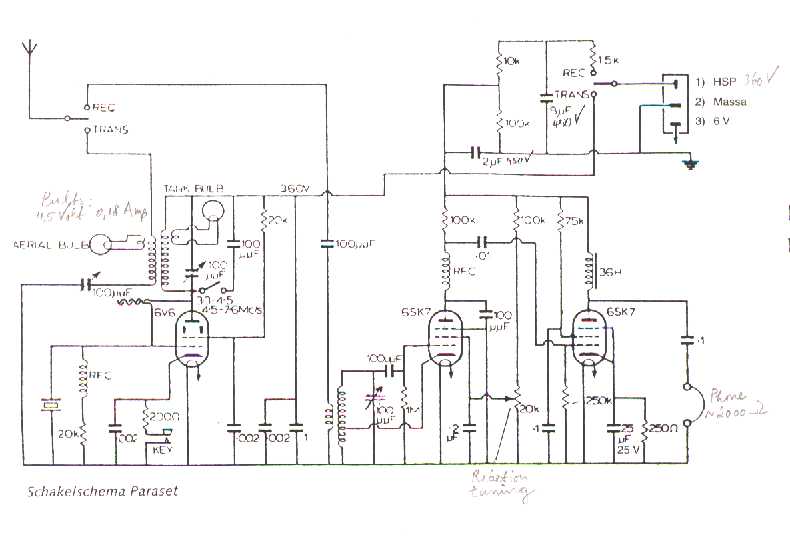
Zasilanie Paraseta to 350V
Podawane jest na to radio kablem z wtyczką męską - raczej niebezpieczne...
Zamiast wpinać słuchawki wysokoomowe w obwód anodowy ostatniej lampy zastosowano wielki dławik i kondensator w szereg ze słuchawkami ... dla bezpieczeństwa operatora ?
Kłuci mi się to ze zdrowym rozsądkiem.
[
attachment=16632]