HomeMade

Pełna wersja: Tranzystory LDMOS w technice amatorskiej
Aktualnie przeglądasz uproszczoną wersję forum. Kliknij tutaj, by zobaczyć wersję z pełnym formatowaniem.
Witam. Czy może ktoś z Kolegów ma doświadczenie z wykorzystaniem tranzystorów LDMOS mikrofalowych dużej mocy w konstrukcjach na niższe częstotliwości, np na 2m lub 70cm? Mam dostępne konkretnie takie tranzystory MRF7S24250N i A2T21S260-12S. Dedykowane są do pracy przy częstotliwościach 2100MHz do 2500MHz i mają moce 65W i 250W. Są dostępne jako darmowe próbki w firmie NXP.
Od kilku dni prowadzę próby przy częstotliwościach 3,5MHz i 144MHz. Okazuje się że nie ma problemu z pracą przy takich częstotliwościach. Przy 3,5MHz pomiary przeprowadzałem przy użyciu prostego oscyloskopu. Podając na wejście 0,5Vpp na wyjściu na obciążeniu 50 om uzyskałem 40Vpp. Niestety nie mam jak wykonać dokładnych pomiarów przy częstotliwości 144MHz. To co udało się ustalić to przy napięciu 15V pobór prądu 5-7A, moc sterująca 1W. Rezystory w sztucznym obciążeniu (8x2W 100om połączone by dawać wypadkowo 50om) pięknie się dymiły.
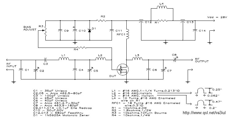
Korzystałem z tego schematu [attachment=10813]
tak wygląda moja wersja wzmacniacza[attachment=10814]
Mam podobne LDMOSy w sprzęcie profesjonalnym, są nie do zajechania!
Witam!
Jeszcze jedna nowość, jak znalazł dla naszych celów:
http://www.nxp.com/products/rf/rf-power-...B94F3E0225
Ciekawe jak będzie z dostępnością, bo za ile to już inna bajka.
Rysio!
W sprzęcie profesjonalnym wykorzystuje się zwykle połowę mocy. Wtedy nawet przy odłączonej antenie i uszkodzonym ALC cała moc jest zdolna wydzielić się w radiatorze. W sprzęcie, który nadzoruję jeszcze tych tranzystorów nie ma, ale pewnie niebawem się pojawią.
Tu jest datasheet tego mocniejszego dostępnego w samplu.
http://cache.nxp.com/files/rf_if/doc/dat...df?pspll=1

Przede wszystkim są inaczej specyfikowane niż kiedyś. Nie ma kompletnego zestawu parametrów, raczej wygląda, że parametry są ukrywane.

W nagłówku datasheet
http://cache.nxp.com/files/rf_if/doc/dat...df?pspll=1
jest 1.8--150 MHz, 1000 W, 50 V
żeby ciut niżej napisać Pout = 1000 Watts Peak (200 W Avg.)
a parametru Total Power Dissipation nie podali w ogóle.

W przypadku tego, który dają w samplach właściwie niewiele podano poza jednym konkretnym zastosowaniem - wzmacniacza na 2,4Ghz do zastosowań technicznych.
http://cache.nxp.com/files/rf_if/doc/dat...df?pspll=1

W zasadzie nie podali niczego co mogłoby nam się przydać. Po podanych parametrach widać jedynie, że element ma niesamowity potencjał.

-------------------------
Dziś przyszedł mój sample. Zamówiłem tylko 1 sztukę.
Nie ma na nią cła, ale niesłusznie naliczono mi na nią VAT (98zł).
Zgłoszenie celne obsługiwał kurier czyli FedEx. Wartość elementu to $90.

VAT naliczyli niesłusznie ze względu na Art. 71. 1. Ustawy z dnia 11.03.2004 r. o podatku od towarów i usług.

Art. 71. 1. Zwalnia się od podatku import towarów przeznaczonych do badań, analiz lub prób mających na celu określenie ich składu, jakości lub innych parametrów technicznych, przeprowadzanych w celu uzyskania informacji lub w ramach testów o charakterze przemysłowym lub handlowym, jeżeli są spełnione łącznie następujące warunki:
1) towary poddawane badaniom, analizom lub próbom zostaną w całości zużyte lub zniszczone w trakcie ich wykonywania;
2) badania, analizy lub próby nie stanowią promocji handlowej;
3) ilości towarów ściśle odpowiadają celowi, do którego realizacji są przywożone.
No taki tranzystor by się przydał byłby fajny wzmacniacz na kf.
Niedawno nabyłem MRFy 186 na ali, koszt około 10$/szt. Pierwsze próby na KF dają dobre rezultaty , znikome napięcie sterujące rzędu 2-2,5v w.cz. Bardzo łatwo uzyskać 20 wat out przy zasilaniu 13 V.Nie mam możliwości wykonania próby dwutonowej. Sądzę że jest to dobra alternatywa zamiast 2xrd16 lub 4x rd16.
Powodzenia życzę w budowie PA. To jest dobry wybór.
Pozdrawiam, Janusz.
Panowie jak już jesteśmy przy temacie. Czy byłby ktoś, kto podjąłby się w ramach ,,czynu społecznego" przeróbki projektu PCB PA do Husarka , np. wg. projektu Maćka SP7ROH na tranzystor MRF186? Podejrzewam, że chodziłoby o podmianę jedynie 2 x RD16 (RD15) na ten właśnie tranzystor i dobranie mocy sterującej. Byłoby fajnie, gdyby płytka zachowała identyczne wymiary, rozstaw otworów do mocowania w chasis i była po prostu zamienna z obecnie rozpowszechnionym rozwiązaniem. Korzystając z doświadczeń kolegi SP8BAI moglibyśmy uzyskać z Husarka DSP 40-50W outputu przy napięciu zasilania 13,8 V. Przy tej mocy byłoby to już fajne i prawie ,,autonomiczne" radio. Ja na co dzień robię projekty w DesignSpark PCB i nie chciałbym (kiepsko z czasem) zaczynać projektu całości płytki od podstaw, gdy tak naprawdę można odpalić Sprint Layouta i zrobić podmianę ostatnich tranzystorów w pół godziny. Import plików gerbera jest jakiś niemal niemożliwy w tym programie. Podobnie generuje gerbery. Po otwarciu w przeglądarce wygenerowanych gerberów pogubione otwory i ,,oblewka" wchodzi na ścieżki. Chyba wyłazi bokiem jego darmowość. Trochę szkoda, bo się już z nim prawie zaprzyjaźniłem i porobiłem sporo bibliotek elementów. Dla siebie dobry - gorzej jak trzeba upowszechnić swoją pracę.
Przekierowanie